Схема сопряжения датчика с ISA
Схемотехника
1. Базовые элементы ТТЛ 155-й серии. Схемы, принцип работы, назначение элементов ИЛИ К155ЛА3 и К155ЛР1.
ТТЛ
Обеспечивает требование быстродействия и потребляемой мощности. В интересах согласования с ЛЭ других типов используются преобразователи уровня в виде схемы с простым инвертором или со сложным инвертором. Для реализации можно использовать диодно-резисторную логику (Шотки) со сложным инвертором.
ЛЭ ТТЛ с простым инвертором
Достоинства
1. Простота технической реализации (на одном кристалле).
2. Малые паразитные емкости, следовательно большое быстродействие.
Недостатки
1. Более низкая помехоустойчивость по сравнению с ДТЛ (U+пом ТТЛ < U+пом ДТЛ, U-пом ТТЛ < U-пом ДТЛ)
2. Малый Kраз (Kраз— число единичных нагрузок, одновременно подключенных к выходу ЛЭ)
Применяется в тех случаях, когда не требуется высокие устойчивость от статических помех и Kраз.
Схема с открытым коллектором.
Можно включать резистор, светодиод, реле, обмотку мощного трансформатора. Схема ТТЛ явл. дальнейшим развитием ДТЛ. Так ДРЛ (диодно-резисторная логика) заменена на МЭТ (многоэмиттерный транзистор) с резистором.

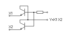
Рис.1
Для реализации операции y=x1x2

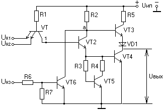
Рис.2

Рис.3
База–коллектор VT1 выполняют функцию смещающего диода VD3 с схеме ДТЛ. Эквивалент диода VD4 ДТЛ в схеме ТТЛ отсутствует.
Достоинства
1. Отсутствует сопротивление утечки (в ДТЛ R2).
2. МЭТ обеспечивает рассасывание неосновных носителей из области базы VT2
Условия
1. Положительная логика
2. ![]()
3. ![]()
![]()
1 случай
x1=x2=1, т.е. Ux1=Ux2=U1 ® “1”
МЭТ выполняет следующие функции:
1. Операция “И” ![]()
2. Усиление сигнала.
3. VD1, VD2.
4. VD3 в схеме ЛЭ ДТЛ.
VD1 ® (база-эмиттер VT1)х1,
VD2 ® (база-эмиттер VT1)х2.
Диод смещения VD3 ® база-коллектор VT1
Переход база-эмиттер VT1 смещённый в обратном направлении; переход база-коллектор VT1 смещён в прямом направлении, Þ режим активный инверсный
Uк-э МЭТ » 0,1 В
Uа = Uб-к VT1 о + Uб-эVT2 о – Uк-эVT1 » 1,5 В
VT2, R2 реализуют “НЕ”. Принцип такой же, как в ДТЛ (VT2 открыт, насыщен. Rвых мало (» 5..40 Ом) Þ Uy= U0» 0,2В
2 случай
Ux1 = 0,2В Ux2 = 4В
(Up – Un)VT1 x1 = UИП – Ux1 =5 – 0,2 = 4,8В
Открыт, т.о. Ua = Uб-эVT1 x1 откр. + Ux1 = 0,8 + 0,2 = 1В
Для того, чтобы открыть VT1б-к и VT2э-б требуется ![]()
VT2 закрыт.
МЭТ находится в открытом и насыщенном состоянии. Режим активный и насыщенный.
ЛЭ ТТЛ-типа серии К155
1. Краз мало в ТТЛ с простым инвертором
2. Rвых » Rк VT
Для устранения недостатка применяют ТТЛ со сложным инвертором.

Рис.4 ЛЭ ТТЛ-типа со сложным инвертором.
Состав схемы
1. На VT1 МЭТ и R1 собран коньюнктор
.
2. Сложный инвертор (VT2-VT5, R2-R5).
3. Демпфирующий диод VD3.
Сложный инвертор включает в себя:
1. VT2 c R2, R3, R4, VT5. С одной стороны фазоразделительный каскад с корректирующей цепочкой VT5, R3, R4.
2. Выходной каскад (VT3, VT4, VD3, R5).
a) Эмиттерный повторитель на VT3 (ЭП).
b) Инвертор на VT4.
Назначение VD1, VD2.
Это так называемые демпфирующие диоды — для шунтирования (на корпус) сигнала отрицательной полярности с уровнем более 0,6В. При положительной логике уровни сигналов
и
при UИП = +5В.
1. Входные цепи имеют паразитное С и паразитное L.
2. Наводки (наведённые статические помехи).
Первые создает колебательный контур (к/к) ![]()

Рис. 5
В момент окончания сигнала (Ua – Uk)VD1,2 = 0 – (-0,8) = 0,8В > UVD3 = 0,6В
Þ VD1 открыт и Þ RVD О = Rпр = 5..20 Ом и устраняется отрицательная полярность в помехе. Положительная помеха влияния не оказывает вследствие своей малости.
МЭТ
VT1, R1 предназначены для реализации операции “И”. Он представляет собой диодную сборку. Сравним с ДТЛ
1. (б–э)х1 ® VD1 (ДТЛ).
(б–э)х2 ® VD2 (ДТЛ).
(б–к)VT1 ® VD3 (диод смещения ДТЛ)
2. Выполняет операцию усиления.
3. При закрывании VT2 c области базы () осуществляется рассасывание неосновных носителей Þ VT1 заменяет Rутечки, включенную в цепь базы транзистора VT1 ДТЛ (R3).
Режим работы транзистора VT1
1. Режим насыщения.
2. Активный инверсный.
1. Происходит в случае воздействия на вход сигнала низкого уровня. В этом случае б–э смещаются в прямом направлении, R мало, транзистор открыт и насыщен; б–к смещен в обратном направлении, но открыт.
2. Если на x1 и x2 подана “1”, то б–э смещены в обратном направлении, R велико, а б–к смещен в прямом направлении (R мало).
Рассмотрим назначение VT2
Если замкнуть R3 на корпус и сделать два разрыва (как показано на рис.4). VT2 предназначен для управления VT3 и VT4. В насыщенном состоянии ток IэVT2=Iк+Iб (IнVT2 < IнVT4). Если в точке k «–», то в точке с «–».
VT3(ЭП)
ЭП имеет Rвых малое при любой нагрузке в эмиттерной цепи. Rвых при выключенном ЛЭ также мало. В случае воздействия на вход «0» закрывается VT3. Этим исключается возможность протекания сквозного тока от источника питания через открытые VT3 и VT4. В случае открытого VT3 VD3 закрывается, т.е. отсутствует недостаток простого инвертора, т.е. мощность потребления меньше.
1 случай
U1= U2= U1 ® “1”
(б-э)VT1 смещены в обратном направлении.
(б-к)VT1 смещён в прямом направлении. Þ VT1 работает в активном инверсном режиме. Потенциал т. а достаточен, чтобы открыть переход(б-к)VT1, (б-э)VT2, (б-э)VT5 и (б-э)VT4.
![]()
При открытом p-n переходе ![]()
![]()
VT2 открыт и насыщен
Ток протекает по цепи: «+»ИП ® R2 ® (к-э)VT2о.н. ® R3 ®VT5 ® корпус
÷ R4 ö
VT4 открывается напряжением Uc. Оно создается после открытия VT2 и VT5 током эмиттера VT2.
Корректирующая цепочка предназначена для защиты от статических помех (для увеличения
) по сравнению с ЛЭ без корректирующей цепочки за счет изменения формы. В интересах повышения помехоустойчивости используется VT2 (это VD4 в схеме ДТЛ)
(б-э)VT1 ® VD4 ДТЛ
(б-э)VT2 ® VD3 ДТЛ
Uколлектора насыщения VT4=0,1В
2 случай
Если на один из входов подать уровень напряжения, соответствующим логическому «0», то через переход (б-э)VT1 ток протечет по цепи: «+»ИП ® R1 ® (б-э)VT2 ® X1 ® корпус
Ua = U(б-э)откр.VT1 + UX1 = 0,8 + 0,2 = 1В
Uk = Ua – U(к-э)VT1 = 1 – 0,1 = 0,9В
VT2-VT4 – закрыты
При VT2 закрытом Uб » UИП = 5В. VT3, VD3 открыты, Þ Uy = UИП – U(б-э)VT3 – UVD3о = = 5–1,6 = 3,4В
Параметры ТТЛ со сложным инвертором
Основным параметром в статическом режиме является
,
, Рпот.ср. (средняя потребляемая мощность).
на VT3 мало Þ Kраз высок!

Рис. 6
![]()
![]()
при X2
![]()
![]()
![]()
![]()
ЛЭ включен, т.е. VT2 и VT4 открыты и насыщены. VT3 и VD3 закрыты.
При Uвых = U0 Þ![]()
![]()
![]()
ЛЭ ТТЛ-типа с открытым коллектором
Применение: в случае включения в выходной каскад таких компонентов, как реле, светодиод, трансформатор и т.д. и в случае включения резистора в коллекторную цепь с подачей более высокого напряжения питания (до 30В).

Рис.7
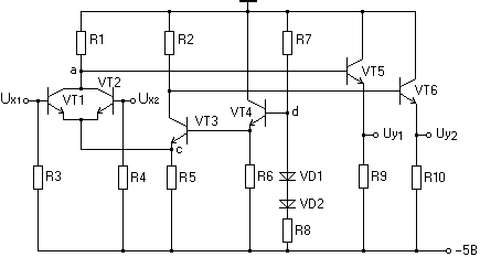
ЛЭ ТТЛ-типа с 3-мя состояниями выхода
Roff — высокое выходное сопротивление

Рис.8
Фрагмент таблицы истинности:
| X1 | X2 | X3 | Y |
| 1 | 1 | 1 | Roff |
| 0 | 1 | 0 | 1 |
Состав схемы:
1. Коньюнктор (VT1, R1). В точке 1
.
2. Сложный инвертор с корректирующей цепочкой: фазоразделительный каскад, корректирующая цепочка, ЭП.
Кроме этих компонентов в схему включены VT6, R6, R7. Коллекторная цепь VT6 включена в коллекторную цепь VT2 в точке а. Это необходимо для реализации третьего состояния схемы. Рассмотрим принцип работы с использованием таблицы истинности. Пусть на входах высокий уровень (1 поз. таблицы). В этом случае VT6 открыт и насыщен. Сопротивление VT6 мало (составляет rвых VT6 = rн =5..20 Ом). Из этого следует, что U(к-э)нVT6 @ 0,2В. Þ Ua = 0,2В. Определим, какое U в т.1 Uк = UбVT2. VT1 – активный инверсный режим. U1 > Ua Þ VT2 – активный инверсный режим. Ток течет по цепи:
«+»ИП ® R1 ® б-к VT1® б-к VT2 ® к-э VT6 ® корпус ® «–»ИП.
U1 = U(б-к)оVT2 + U(к-э)насVT6 = 1В
В этом случае закрыт VT5. Дальше цитата Тимошенко В.С.: «А в каком же состоянии VT4 и VD1? Да они же закрыты!!!». Þ на выходе высокое сопротивление Roff.
2 позиция таблицы. VT6 закрыт, Rк-э высокое.
Вывод: в случае подачи на вход X3 U0 при положительной логике VT6 закрыт и схема ЛЭ может иметь 2 состояния – включенное и выключенное.
Базовые ЛЭ ЭСЛ-типа 500-ойсерии.
Достоинства: ЛЭ ЭСЛ-типа применяются в быстродействующих устройствах, т.к. она (ЭСЛ) имеет малое tздр (время задержки). Это обусловлено:
(1), где Uл – логический перепад. (Примечание. Для ТТЛ с простым инвертором
)
Если в (1) при Cн= const уменьшить Uл, то tздр уменьшается.
ЛЭ ЭСЛ имеет малый уровень логического перепада, дост. Большой ток зарада Cпар, Þ длительность положительного перепада схемы мала. Рассмотрим состав, принцип работы и назначение элементов схемы. При положительной логике U1 = – 0,9В, U0 = – 1,7В, опорное напряжение
.
«ИЛИ–ИЛИ–НЕ»

Рис.9
1. Токовый переключатель.
2. Источник опорного напряжения.
3. Эмиттерные повторители.
1. VT1, VT2 – левое плечо дифференциального усилителя.
R1, R2, R5
R3, R4 – сопротивления утечки.
На б VT1 и VT2 подаются входные сигналы.
На б VT3 поступает опорное напряжение –1,3В.
Uл = U1 – U0 = 0,8В
2. Делитель R7R8, диоды VD1 и VD2, ЭП VT4R6, VT3.
3. VT5R9 (R9 и R10 в схему ЛЭ в интегральном исполнении не входят).
VT6R10
U(б-э)оVT5,6 = 0,8В
Работа
X1 = X2 = 0
U1 = – 0,9В
U0 = – 1,7В
Uоп = –1,3В
VT1 и VT2 закрыты. Iк1,2 = 0. VT3 открыт. При этом Uc=–(Uоп) + (–U(б-э)VT3) = (–1,3) + (–0,75) = = –2,05В
Что с VT3? Проверим: (Uб – Uэ)VT3 = (–1,3) – (–2,05) = 0,75 — он открыт.
(Uб– Uэ)VT1,2 = (–U0) – (–Uc) = (–1,7) – (–2,05) = 0,35В < Uэз = 0,6В Þ VT1,2 – закрыты.
Т.к. через R1 при закрытых VT1 и VT2 протекает ток IбVT5 (ЭП) по цепи:
«+»ИП ® R1 ® б-э VT5® R9 ® «–»ИП
![]()
Режим работы VT5 подобран так, что он всегда открыт и через него течет ток:
«+»ИП ® R1 ® к-э VT5 ® R9 ® «–»ИП
Uб-эVT5o = –0,8В
Uy1 = (Ua + Uб-эVT5) = (–0,1) + (–0,8) = –0,9В ® U1 = – 0,9В
Подобные работы: