Расчет корректирующих цепей широкополосных усилительных каскадов на полевых транзисторах
Расчет элементов высокочастотной коррекции является неотъемлемой частью процесса проектирования усилительных устройств. В известной литературе материал, посвященный этой проблеме, не всегда представлен в удобном для проектирования виде. В этой связи в статье собраны наиболее известные и эффективные схемные решения построения широкополосных усилительных устройств на ПТ, а соотношения для расчета коэффициента усиления, полосы пропускания и значений элементов корректирующих цепей даны без выводов. Ссылки на литературу позволяют найти, при необходимости, доказательства справедливости приведенных соотношений.
Особо следует отметить, что в справочной литературе по отечественным ПТ (1, 2) не приводятся значения элементов эквивалентной схемы замещения ПТ. Поэтому при расчетах следует пользоваться параметрами зарубежных аналогов (2, 3) либо осуществлять проектирование на зарубежной элементной базе (3).
2 ИСХОДНЫЕ ДАННЫЕ ДЛЯ РАСЧЕТОВ
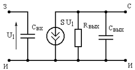
В соответствии с (4, 5, 6), предлагаемые ниже соотношения для расчета усилительных каскадов на ПТ основаны на использовании эквивалентной схемы замещения транзистора, приведенной на рисунке 2.1,а, и полученной на её основе однонаправленной модели, приведенной на рисунке 2.1,б.
|
|
| а) | б) |
Рисунок 2.1
Здесь СЗИ – емкость затвор-исход, СЗС – емкость затвор-сток, ССИ – емкость сток-исток, RВЫХ – сопротивление сток-исток, S – крутизна ПТ, СВХ =.CЗИ +СЗС(1+SRЭ), RЭ=RВЫХRН/(RВЫХ+RН), RН – сопротивление нагрузки каскада на ПТ, CВЫХ=ССИ+СЗС.
3 РАСЧЕТ НЕКОРРЕКТИРОВАННОГО КАСКАДА С ОБЩИМ ИСТОКОМ
3.1 ОКОНЕЧНЫЙ КАСКАД
Принципиальная схема некорректированного усилительного каскада приведена на рисунке 3.1,а, эквивалентная схема по переменному току - на рисунке 3.1,б.
|
|
| а) | б) |
Рисунок 3.1
В соответствии с (6), коэффициент усиления каскада в области верхних частот можно описать выражением:
, (3.1)
где
; (3.2)
; (3.3)
; (3.4)
; (3.5)
;
- текущая круговая частота.
При заданном уровне частотных искажений
(3.6)
верхняя частота fВ полосы пропускания каскада равна:
, (3.7)
где
.
Входное сопротивление каскада на ПТ, без учета цепей смещения, определяется входной емкостью:
. (3.8)
Пример 3.1. Рассчитать fB, RC, CВХ каскада, приведенного на рисунке 3.1, при использовании транзистора КП907Б (СЗИ=20 пФ; СЗС=5 пФ; ССИ=12 пФ; RВЫХ=150 Ом; S=200 мА/В (7)) и условий: RН=50 Ом; YB=0,9; K0=4.
Решение. По известным K0 и S из (3.2) найдем: RЭ=20 Ом. Зная RВЫХ, RН и RЭ, из (3.3) определим: RС = 43 Ом. По (3.4) и (3.5) рассчитаем: С0=17 пФ;
=
. Подставляя известные
и YВ в (3.7), получим: fB=227 МГц. По формуле (3.8) найдем: СВХ=45 пФ.
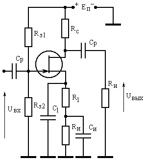
3.2 ПРОМЕЖУТОЧНЫЙ КАСКАД
Принципиальная схема каскада приведена на рисунке 3.2,а, эквивалентная схема по переменному току - на рисунке 3.2,б.
|
|
| а) | б) |
Рисунок 3.2
Коэффициент усиления каскада в области верхних частот описывается выражением (3.1), в котором значения RЭ и С0 рассчитываются по формулам:
; (3.9)
, (3.10)
где СВХ – входная емкость нагружающего каскада.
Значения fB и СВХ каскада рассчитываются по соотношениям (3.7) и (3.8).
Пример 3.2. Рассчитать fB, RC, CВХ каскада, приведенного на рисунке 3.2, при использовании транзистора КП907Б (данные транзистора в примере 3.1) и условий: YB=0.9; K0=4; входная емкость нагружающего каскада - из примера 3.1.
Решение. По известным K0 и S из (3.2) найдем: RЭ=20 Ом. Зная RЭ и RВЫХ, из (3.9) определим: RC=23 Ом. По (3.10) и (3.4) рассчитаем С0=62 пФ;
=
. Подставляя известные
и YB в (3.7), получим: fB=62 МГц. По формуле (3.8) найдем: СВХ=45 пФ.
3.3 РАСЧЕТ ИСКАЖЕНИЙ, ВНОСИМЫХ ВХОДНОЙ ЦЕПЬЮ
Принципиальная схема входной цепи каскада приведена на рисунке 3.3,а, эквивалентная схема по переменному току - на рисунке 3.3,б.
|
|
| а) | б) |
Рисунок 3.3
Коэффициент передачи входной цепи в области верхних частот описывается выражением (6):
,
где
; (3.11)
; (3.12)
;
СВХ – входная емкость каскада на ПТ.
Значение fB входной цепи рассчитывается по формуле (3.7).
Пример 3.3. Рассчитать K0 и fB входной цепи, приведенной на рисунке 3.3, при условиях : RГ=50 Ом; RЗ=1 МОм; YB=0,9; CВХ – из примера 3.1.
Решение. По (3.11) найдем: K0=1, по (3.12) определим:
=
. Подставляя
и YB в (3.7), получим: fB=34,3 МГц.
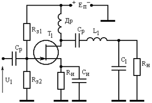
4 РАСЧЕТ КАСКАДА С ВЫСОКОЧАСТОТНОЙ ИНДУКТИВНОЙ КОРРЕКЦИЕЙ
Принципиальная схема каскада с высокочастотной индуктивной коррекцией приведена на рисунке 4.1,а, эквивалентная схема по переменному току - на рисунке 4.1,б.
|
|
| а) | б) |
Рисунок 4.1
Коэффициент усиления каскада в области верхних частот можно описать выражением (6):
,
где K0=SRЭ; (4.1)
;
;
;
;
;
.
Значение
, соответствующее оптимальной по Брауде амплитудно-частотной характеристике (АЧХ) (6), рассчитывается по формуле:
. (4.2)
При заданном значении YB верхняя частота полосы пропускания каскада равна:
. (4.3)
Входная емкость каскада определяется соотношением (3.8).
При работе каскада в качестве предоконечного все перечисленные выше соотношения справедливы. Однако RЭ, R0 и С0 принимаются равными:
, (4.4)
где СВХ – входная емкость оконечного каскада.
Пример 4.1. Рассчитать fB, LC, RC, CВХ каскада, приведенного на рисунке 4.1, при использовании транзистора КП907Б (данные транзистора - в примере 3.1) и условий: YB=0,9; K0=4; каскад работает в качестве предоконечного; входная емкость нагружающего каскада - из примера 3.1.
Решение. По известным K0 и S из (4.1) найдем: RЭ=20 Ом. Далее по (4.4) получим: RC=23 Ом; R0= 150 Ом; C0=62 пФ;
=
. Подставляя C0, RC, R0 в (4.2), определим: LCопт=16,3 нГн. Теперь по формуле (4.3) рассчитаем: fB=126 МГц. Из (3.8) найдем: CВХ=45 пФ.
5 РАСЧЕТ КАСКАДА С ИСТОКОВОЙ КОРРЕКЦИЕЙ
Принципиальная схема каскада с истоковой коррекцией приведена на рисунке 5.1,а, эквивалентная схема по переменному току - на рисунке 5.1,б.
|
|
| а) | б) |
Рисунок 5.1
Коэффициент усиления каскада в области верхних частот можно описать выражением (6):
,
где K0=SRЭ/F; (5.1)
; (5.2)
;
;
;
.
Значение С1опт, соответствующее оптимальной по Брауде АЧХ, рассчитывается по формуле:
. (5.3)
При заданном значении YB верхняя частота полосы пропускания каскада равна:
. (5.4)
Входная емкость каскада определяется соотношением:
. (5.5)
При работе каскада в качестве предоконечного все перечисленные выше соотношения справедливы. Однако RЭ и С0 принимаются равными:
, (5.6)
где СВХ – входная емкость оконечного каскада.
Пример 5.1. Рассчитать fB, R1, С1, СВХ каскада, приведенного на рисунке 5.1, при использовании транзистора КП907Б (данные транзистора - в примере 3.1) и условий: YB=0,9; K0=4; каскад работает в качестве предоконечного; входная емкость нагрузочного каскада - из примера 3.1.
Решение. По известным K0, S, RЭ из (5.1), (5.2) найдем: F=7,5 ; R1=32,5 Ом. Далее получим: С0=62 пФ;
=
. Из (5.3) определим С1опт=288 пФ. Теперь по формуле (5.4) рассчитаем: fB=64,3 МГц. Из (5.5) найдем: СВХ=23,3 пФ.
6 РАСЧЕТ ВХОДНОЙ КОРРЕКТИРУЮЩЕЙ ЦЕПИ
Из приведенных выше примеров расчета видно, что наибольшие искажения АЧХ обусловлены входной цепью. Для расширения полосы пропускания входных цепей усилителей на ПТ в (8) предложено использовать схему, приведенную на рисунке 6.1.
|
|
| а) | б) |
Рисунок 6.1
Коэффициент передачи входной цепи в области верхних частот можно описать выражением:
,
где
; (6.1)
;
;
;
;
СВХ – входная емкость каскада на ПТ.
Значение L3опт, соответствующее оптимальной по Брауде АЧХ, рассчитывается по формуле:
. (6.2)
При заданном значении YB и расчете LЗопт по (6.2) верхняя частота полосы пропускания входной цепи равна:
. (6.3)
Пример 6.1. Рассчитать fB, RЗ, LЗ входной цепи, приведенной на рисунке 6.1, при условиях: YB=0,9; RГ=50 Ом; СВХ – из примера 3.1; допустимое уменьшение К0 за счет введения корректирующей цепи – 2 раза.
Решение. Из условия допустимого уменьшения К0 и соотношения (6.1) найдем: RЗ=50 Ом. Подставляя известные СВХ, RГ и RЗ в (6.2), получим: LЗопт=37,5 нГн. Далее определим:
=
;
=
. Подставляя найденные величины в (6.3), рассчитаем: fB=130 МГц.
7 РАСЧЕТ ВЫХОДНОЙ КОРРЕКТИРУЮЩЕЙ ЦЕПИ
В рассматриваемых выше усилительных каскадах расширение полосы пропускания связано с потерей части выходной мощности в резисторах корректирующих цепей (КЦ) либо цепей обратной связи. От выходных каскадов усилителей требуется, как правило, получение максимально возможной выходной мощности в заданной полосе частот. Из теории усилителей известно (9), что для выполнения указанного требования необходимо реализовать ощущаемое сопротивление нагрузки для внутреннего генератора транзистора равным постоянной величине во всем рабочем диапазоне частот. Этого можно достигнуть, включив выходную емкость транзистора в фильтр нижних частот, используемый в качестве выходной КЦ. Схема включения выходной КЦ приведена на рисунке 7.1.
|
|
| а) | б) |
Рисунок 7.1
При работе выходного каскада без выходной КЦ модуль коэффициента отражения
ощущаемого сопротивления нагрузки внутреннего генератора транзистора равен (9):
. (7.1)
Уменьшение выходной мощности относительно максимального значения, обусловленное наличием CВЫХ, составляет величину:
, (7.2)
где
– максимальное значение выходной мощности на частоте
при условии равенства нулю СВЫХ;
– максимальное значение выходной мощности на частоте
при наличии СВЫХ.
Использование фильтра нижних частот в качестве выходной КЦ при одновременном расчете элементов L1, C1 по методике Фано (9) позволяет обеспечить минимально возможное, соответствующее заданным CВЫХ и fB, значение максимальной величины модуля коэффициента отражения
в полосе частот от нуля до fB.
В таблице 7.1 приведены нормированные значения элементов L1, C1, CВЫХ, рассчитанные по методике Фано, а также коэффициент
, определяющий величину ощущаемого сопротивления нагрузки RОЩ, относительно которого вычисляется
(9).
Таблица 7.1
|
|
|
|
|
| 0,1 | 0,18 | 0,099 | 0,000 | 1,000 |
| 0,2 | 0,382 | 0,195 | 0,002 | 1,001 |
| 0,3 | 0,547 | 0,285 | 0,006 | 1,002 |
| 0,4 | 0,682 | 0,367 | 0,013 | 1,010 |
| 0,5 | 0,788 | 0,443 | 0,024 | 1,020 |
| 0,6 | 0,865 | 0,513 | 0,037 | 1,036 |
| 0,7 | 0,917 | 0,579 | 0,053 | 1,059 |
| 0,8 | 0,949 | 0,642 | 0,071 | 1,086 |
| 0,9 | 0,963 | 0,704 | 0,091 | 1,117 |
| 1,0 | 0,966 | 0,753 | 0,111 | 1,153 |
| 1,1 | 0,958 | 0,823 | 0,131 | 1,193 |
| 1,2 | 0,944 | 0,881 | 0,153 | 1,238 |
| 1,3 | 0,927 | 0,940 | 0,174 | 1,284 |
| 1,4 | 0,904 | 0,998 | 0,195 | 1,332 |
| 1,5 | 0,882 | 1,056 | 0,215 | 1,383 |
| 1,6 | 0,858 | 1,115 | 0,235 | 1,437 |
| 1,7 | 0,833 | 1,173 | 0,255 | 1,490 |
| 1,8 | 0,808 | 1,233 | 0,273 | 1,548 |
| 1,9 | 0,783 | 1,292 | 0,292 | 1,605 |
| 2,0 | 0,760 | 1,352 | 0,309 | 1,664 |
Истинные значения элементов рассчитываются по формулам:
(7.3)
Расчет частотных искажений, вносимых выходной цепью оконечного каскада, приведен в разделе 3.1. При использовании выходной КЦ частотные искажения, вносимые выходной цепью, определяются соотношением:
. (7.4)
Коэффициент усиления каскада с выходной КЦ определяется выражением (3.2).
Пример 7.1. Рассчитать выходную КЦ для усилительного каскада на транзисторе КП907Б (данные транзистора - в примере 3.1) при RН=50 Ом, fB=200 МГц. Определить RОЩ, уменьшение выходной мощности на частоте fB и уровень частотных искажений, вносимых выходной цепью при использовании КЦ и без нее.
Решение. Найдем нормированное значение СВЫХ:
= =
= 1,07. Ближайшее значение коэффициента
в таблице 7.1 равно 1,056. Этому значению
соответствуют:
=1,5;
=0,882;
=0,215;
=1,382. После денормирования по формулам (7.3) имеем:
=35,1 нГн;
=24 пФ; RОЩ=36,2 Ом. Используя соотношения (7.1), (7.2), найдем, что при отсутствии выходной КЦ уменьшение выходной мощности на частоте fB, обусловленное наличием СВЫХ, составляет 2,14 раза, а при ее использовании - 1,097 раза. При отсутствии выходной КЦ уровень частотных искажений, вносимых выходной цепью, определяется соотношением (3.7). Для условий примера 7.1
=
. Подставляя в (3.7) известные
и fB, получим: YB=
=0,795. При наличии выходной КЦ из (7.4) найдем: YB= 0,977.
8 РАСЧЕТ ДИССИПАТИВНОЙ МЕЖКАСКАДНОЙ КОРРЕКТИРУЮЩЕЙ ЦЕПИ ВТОРОГО ПОРЯДКА
Принципиальная схема усилителя с межкаскадной КЦ второго порядка приведена на рисунке 8.1,а, эквивалентная схема по переменному току - на рисунке 8.1,б. (10).
|
| а) |
|
| б) |
Рисунок 8.1
Коэффициент усиления каскада на транзисторе T1 в области верхних частот можно описать выражением (11, 12):
, (8.1)
где K0=SRЭ; (8.2)
;
;
;
;
– сопротивление сток-исток транзистора T1;
;
;
;
;
– нормированные относительно
и
значения элементов
,
,
,
,
;
=
;
;
– нормированная частота;
– текущая круговая частота;
– высшая круговая частота полосы пропускания разрабатываемого усилителя;
– входная емкость транзистора Т2;
– выходная емкость транзистора T1.
В таблице 8.1 приведены нормированные значения элементов
,
,
, вычисленные для ряда нормированных значений
, при двух значениях допустимой неравномерности АЧХ
.
Таблица 8.1 получена с помощью методики проектирования согласующе-выравнивающих цепей транзисторных усилителей, предполагающей составление и решение системы компонентных уравнений (13), и методики синтеза прототипа передаточной характеристики, обеспечивающего максимальный коэффициент усиления каскада при заданной допустимой неравномерности АЧХ в заданной полосе частот (14).
Таблица 8.1
|
|
| ||||
|
|
|
|
|
| |
| 0,01 | 1,597 | 88,206 | 160,3 | 2,02 | 101 | 202,3 |
| 0,05 | 1,597 | 18,08 | 32,061 | 2,02 | 20,64 | 40,47 |
| 0,1 | 1,597 | 9,315 | 16,03 | 2,02 | 10,57 | 20,23 |
| 0,15 | 1,597 | 6,393 | 10,69 | 2,02 | 7,21 | 13,5 |
| 0,2 | 1,596 | 4,932 | 8,019 | 2,02 | 5,5 | 10,1 |
| 0,3 | 1,596 | 3,471 | 5,347 | 2,02 | 3,856 | 6,746 |
| 0,4 | 1,595 | 2,741 | 4,012 | 2,02 | 3,017 | 5,06 |
| 0,6 | 1,594 | 2,011 | 2,677 | 2,02 | 2,177 | 3,373 |
| 0,8 | 1,521 | 1,647 | 2,011 | 2,02 | 1,758 | 2,53 |
| 1 | 1,588 | 1,429 | 1,613 | 2,02 | 1,506 | 2,025 |
| 1,2 | 1,58 | 1,285 | 1,351 | 2,02 | 1,338 | 1,688 |
| 1,5 | 1,467 | 1,178 | 1,173 | 2,02 | 1,17 | 1,352 |
| 1,7 | 1,738 | 1,017 | 0,871 | 2,015 | 1,092 | 1,194 |
| 2 | 1,627 | 0,977 | 0,787 | 2,00 | 1,007 | 1,023 |
| 2,5 | 1,613 | 0,894 | 0,635 | 2,03 | 0,899 | 0,807 |
| 3 | 1,61 | 0,837 | 0,53 | 2,026 | 0,833 | 0,673 |
| 3,5 | 1,608 | 0,796 | 0,455 | 2,025 | 0,785 | 0,577 |
| 4,5 | 1,606 | 0,741 | 0,354 | 2,025 | 0,721 | 0,449 |
| 6 | 1,605 | 0,692 | 0,266 | 2,024 | 0,666 | 0,337 |
| 8 | 1,604 | 0,656 | 0,199 | 2,024 | 0,624 | 0,253 |
| 10 | 1,604 | 0,634 | 0,160 | 2,024 | 0,598 | 0,202 |
При известных значениях
,
,
,
,
расчет межкаскадной КЦ состоит из следующих этапов. Вычисление
. Нормирование значения
по формуле:
. Нахождение по таблице 8.1 ближайшего к вычисленному табличного значения
. Определение по таблице 8.1 соответствующих значений
,
,
и их денормирование по формулам:
;
;
. Вычисление значения
:
.
При использовании рассматриваемой КЦ в качестве входной
принимается равной нулю,
принимается равным
, а коэффициент передачи входной цепи на средних частотах рассчитывается по формуле (3.11).
В случае необходимости построения нормированной частотной характеристики проектируемого усилительного каскада значения
,
,
,
следует подставить в (8.1) и найти модуль
. Реальная частотная характеристика может быть найдена после денормирования коэффициентов
,
,
по формулам:
;
;
.
Пример 8.1. Рассчитать межкаскадную КЦ усилительного каскада, приведенного на рисунке 8.1, его
и
при использовании транзисторов КП907Б (данные транзистора - в примере 3.1) и условий: fB=100 МГц; входная емкость нагружающего каскада - из примера 3.1; допустимая неравномерность АЧХ -
дБ,
=1 кОм.
Решение. По известным
,
и
найдем:
= =
=3,67. Из таблицы 8.1 для неравномерности АЧХ
дБ и для ближайшего табличного значения нормированной величины
, равного 3,5, имеем:
=2,025,
=0,785,
=0,577. Денормируя
,
и
, получим:
=24,8 пФ; L2=162 нГн; R3=75 Ом. Теперь по (8.2) рассчитаем: K0=9,5. Вычитая из
величину
, определим: С1= =7,8 пФ. Из (3.8) найдем: СВХ=72,5 пФ.
10 РАСЧЕТ ДИССИПАТИВНОЙ МЕЖКАСКАДНОЙ КОРРЕКТИРУЮЩЕЙ ЦЕПИ ЧЕТВЕРТОГО ПОРЯДКА
Принципиальная схема усилителя с межкаскадной корректирующей цепью четвертого порядка (15) приведена на рисунке 9.1,а, эквивалентная схема по переменному току - на рисунке 9.1,б.
|
| а) |
|
| б) |
Рисунок 9.1
Несмотря на то, что КЦ содержит пять корректирующих элементов, конструктивно ее выполнение может оказаться проще выполнения КЦ второго порядка.
Коэффициент усиления каскада на транзисторе T1 в области верхних частот можно описать выражением (14):
, (9.1)
где
; (9.2)
;
;
;
;
;
;
RВЫХ1 – сопротивление сток-исток транзистора T1; СВХ2 – входная емкость транзистора T2;
,
,
,
,
– нормированные относительно
и
значения элементов L1, R2, C3, C4, L5, соответствующие преобразованной схеме КЦ, в которой значение CВЫХ1 равно нулю, а значение СВХ2 равно бесконечности; СВЫХ1 – выходная емкость транзистора T1;
;
– нормированная частота;
– текущая круговая частота;
– высшая круговая частота полосы пропускания разрабатываемого усилителя.
В таблице 9.1 приведены нормированные значения элементов L1, R2, C3, C4, L5, вычисленные для случая реализации усилительного каскада с различным наклоном АЧХ, лежащим в пределах
дБ, при допустимом значении
равном
дБ и
дБ, и при условии равенства нулю значения СВЫХ1 и бесконечности - значения СВХ2.
Таблица 9.1 получена с помощью методики проектирования согласующе-выравнивающих цепей транзисторных усилителей, предполагающей составление и решение систем компонентных уравнений (13), и методики синтеза прототипа передаточной характеристики, обеспечивающего максимальный коэффициент усиления каскада при заданной допустимой неравномерности АЧХ в заданной полосе частот (14).
Таблица 9.1
| Наклон АЧХ, дБ |
|
| ||||||||
|
|
|
|
|
|
|
|
|
| |
| -6 | 2,40 | 1,58 | 5,85 | 2,34 | 0,451 | 2,43 | 1,21 | 6,75 | 2,81 | 0,427 |
| -5 | 2,47 | 1,63 | 5,53 | 2,39 | 0,426 | 2,43 | 1,22 | 6,49 | 2,90 | 0,401 |
| -4 | 2,49 | 1,65 | 5,23 | 2,48 | 0,399 | 2,41 | 1,20 | 6,24 | 3,03 | 0,374 |
| -3 | 2,48 | 1,64 | 4,97 | 2,60 | 0,374 | 2,36 | 1,18 | 6,02 | 3,20 | 0,348 |
| -2 | 2,42 | 1,59 | 4,75 | 2,74 | 0,351 | 2,32 | 1,16 | 5,77 | 3,36 | 0,327 |
| -1 | 2,29 | 1,51 | 4,59 | 2,93 | 0,327 | 2,30 | 1,15 | 5,47 | 3,50 | 0,309 |
| 0 | 2,09 | 1,38 | 4,49 | 3,18 | 0,303 | 2,22 | 1,11 | 5,23 | 3,69 | 0,291 |
| +1 | 1,84 | 1,21 | 4,49 | 3,52 | 0,277 | 2,08 | 1,04 | 5,08 | 3,93 | 0,273 |
| +2 | 1,60 | 1,05 | 4,52 | 3,91 | 0,252 | 1,88 | 0,94 | 5,02 | 4,26 | 0,253 |
| +3 | 1,33 | 0,876 | 4,69 | 4,47 | 0,225 | 1,68 | 0,842 | 4,99 | 4,62 | 0,234 |
| +4 | 2,69 | 1,35 | 3,34 | 3,29 | 0,281 | 1,51 | 0,757 | 4,97 | 5,02 | 0,217 |
| +5 | 2,23 | 1,11 | 3,43 | 3,67 | 0,257 | 1,32 | 0,662 | 5,05 | 5,54 | 0,198 |
| +6 | 1,76 | 0,879 | 3,65 | 4,27 | 0,228 | 1,10 | 0,552 | 5,29 | 6,31 | 0,176 |
Для расчета нормированных значений элементов L1, R2, C3, C4, L5, обеспечивающих заданную форму АЧХ с учетом реальных нормированных значений СВЫХ1 и СВХ2, следует воспользоваться формулами пересчета (14):
(9.3)
где СВЫХ1Н, СВХ2Н – нормированные относительно RВЫХ1 и
значния СВЫХ1 и СВХ2.
При известных значениях
, RВЫХ1, СВЫХ1, СВХ2, расчет межкаскадной КЦ состоит из следующих этапов. Вычисление нормированных значений СВЫХ1 и СВХ2 по формуле: СН=
. Определение табличных значений элементов
,
,
,
,
по заданному наклону и требуемой неравномерности АЧХ. Расчет L1, R2, C3, C4, L5 по формулам пересчета (9.3) и их денормирование.
При использовании рассматриваемой КЦ в качестве входной СВЫХ1 принимается равной нулю, RВЫХ1 принимается равным RГ, а коэффициент передачи входной цепи на средних частотах рассчитывается по формуле:
. (9.4)
В случае необходимости построения нормированной частотной характеристики проектируемого усилительного каскада значения
,
,
,
,
следует подставить в (9.1) и найти модуль KU. Реальная частотная характеристика может быть рассчитана по



















