Разработка фотоприемного устройства волоконно-оптической системы передачи информации (ВОСПИ)


Рис. 1.3 Блок схема измерения искажений ВОСПИ с одномодовым ВОК.

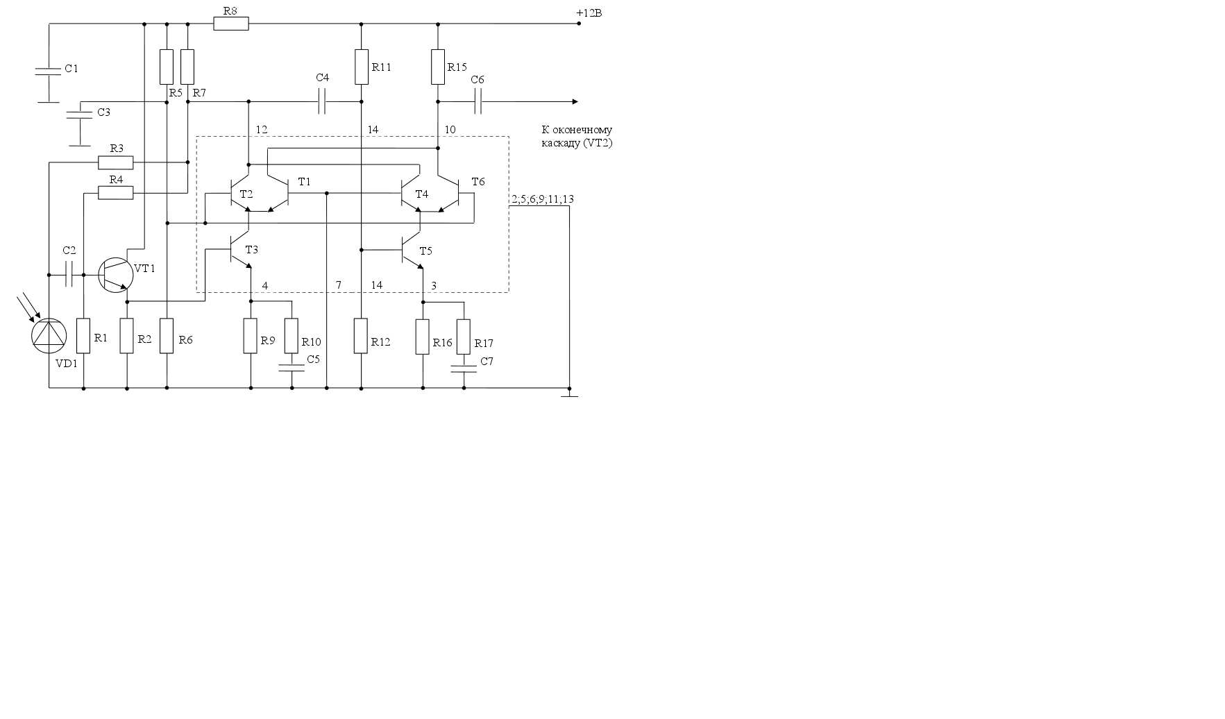
Рис. 3.2 Принципиальная схема Ι, ΙΙ, ΙΙΙ каскадов ФПУ.
Рис.4.4 Эквивалентная схема предварительного усилителя (ПУ).

а) Графики АЧХ и ФЧХ VT1 (3 узел)
Рисунок 4.4.а.


На частоте f =150 МГц усиление равно 0,9 . На частоте f = 450 МГц усиление 0,77.
б) АЧХ и ФЧХ на выходе VT3 (5 узел )
На рисунке 4.4.б. АЧХ и ФЧХ при изменении R7 от 1 Ом до 100 Ом .
Рис.4.4.б.


Нас удовлетворяет самая верхняя характеристика при R7 = 1 Ом
На рисунке 4.4.б’. приведены графики ее АЧХ и ФЧХ
Рис.4.4.б’.


На f = 150 МГц – усиление равно 0,75. На f = 450 МГц – усиление 0,65.
в) АЧХ и ФЧХ на выходе VT2 ( 7 узел ).
Рассмотрим графики АЧХ и ФЧХ при изменении R11 от 500 Ом до 20 кОм , приведенные на рисунке 4.4.в.
Рис.4.4.в.


Рассмотрим параметры :
при R11 = 20 кОм , полоса пропускания f – 592 МГц усиление равно 8,66.
при R11 = 6,2 кОм , полоса пропускания f – 594,4 МГц усиление равно 8,55.
при R11 = 2 кОм , полоса пропускания f – 608,7 МГц усиление – 8,24.
при R11= 500 Ом , полоса пропускания f – 688,1 МГц усиление – 7,05.
ФЧХ практически не изменяется, т.е. выбор сопротивления не влияет на нее.
Выбираем R11 = 2 кОм. Графики АЧХ и ФЧХ приведены на рисунке 4.4.в’.
Рис.4.4.в’


Подобные работы: