Проектирование устройства преобразования сигналов
АЛМАТИНСКИЙ ИНСТИТУТ
ЭНЕРГЕТИКИ И СВЯЗИ
Кафедра АЭС
КУРСОВАЯ РАБОТА
По курсу: «Передача дискретных сигналов»
«Проектирование устройств преобразование сигналов»
Выполнил:
Принял:
Алматы 1999
Содержание
1. Введение.
2. Техническое задание на проектирование УПС.
Исходные данные.
3. Теоретическая часть:
1.Системы передачи с обратной связью.
2. Интерфейс RST-232-E
3. Системы синхронизации
4.Системы с РОС
5.Основные параметры систем с обратной связью
6.Сравнение систем с информационной
обратной связью и решающей обратной связью
7.Проектирование УПС
8.Модем на 1200/600 бит/с
4. Заключение
5. Список использованной литературы
![]()
Введение
Задачей курсового проектирования является создание теоретически и технически обоснованной схемы аппаратуры передачи данных по телефонным каналам, удовлетворяющей рекомендациям МККТТ.В системе ПДС аппаратура УПС выполняет функцию трансформации информационной двоичной последовательности в сигнал, удобный для передачи по линии и обратного преобразования. Для этого в составе УПС имеется модем использующий методы модуляции, скорость передачи и преобразования регламентированные стандартами МККТТ. Основным требованием к параметрам модема является обеспечение максимально возможной скорости преобразования и передачи при сохранении достаточно малой вероятности ошибки в элементах.
Полосовые фильтры в составе УПС необходимы для выделения информационной составляющей в спектре сигнала на передаче и из смеси сигнала с шумом при приеме. При использовании ЧМ фильтр играет также роль детектора и разделителя несущих частот. Основное требование к фильтру - обеспечение достаточного затухания вне полосы пропускания с максимальной крутизной спада границ.Кроме того в составе УПС имеется устройство синхронизации необходимое для согласования по времени всех операций преобразования. Требование к нему - обеспечение высокой стабильности генератора синхроимпульсов и делителей частоты.
При проектировании УПС требуется также обеспечить наиболее эффективное использование каналов связи и минимизировать аппаратурные затраты. В схеме желательно использовать стандартные компоненты и схемотехнические решения. Все задаваемые допуски.
Техническое заданиена проектирование УПС
В процессе проектирования необходимо выполнить следующее:
1) провести сравнительный анализ систем передачи дискретной информации с решающей (РОС) и информационной обратной связью (ИОС), способов синхронизации (групповая, цикловая и тактовая). Анализ должен быть иллюстрирован алгоритмами, структурными схемами и временными диаграммами;
2) провести сравнительный анализ характеристик возможных вариантов систем передачи дискретной информации, удовлетворяющих заданным требованиям;
3) выбрать вариант, обеспечивающий передачу заданного объема информации за сеанс связи при наиболее эффективном использовании канала связи и минимальных аппаратурных затратах, определяемых числом корпусов интегральных микросхем, необходимых для реализации проектируемого устройства;
4) разработать структурную схему системы;
5) рассчитать основные параметры аппаратуры;
6) разработать функциональную схему устройства и построить временные диаграммы его работы в различных режимах;
Данные для расчета УПС :
Объем передаваемой информации за сеанс связи, Iп=260 кбит.
Время передачи, Tcc=8 мин
Остаточное затухание канала, a ост=10 дБ.
Эффективн. значение напряжения помехи в полосе 3,1кГц,U пэф=2,2мВ.
Время поддержания синхронизма, t =0,5 с.
Интенсивность перерывов δпр=0,15
Время синхронизации, t c = 8 c
Неравномерность характеристики ГВП, tср.доп =2,2 мс.
Способ фазирования циклов - стартстопный
Вероятность ложного запуска, не более 3х10-5
Средняя длительность перерыва в долях от t0, t пр =20 мкс.
1.Системы передачи с обратной связью
Передатчик с приёмником соединены прямым и обратным каналами связи и передатчик при вводе избыточности использует информацию о состоянии прямого канала, получаемую по каналу обратной связи (ОС).
Классифицируются системы с обратной связью по следующим признакам.
По назначению канала ОС различают:
1.1.Системы с решающей ОС (рис.1А) в которых приёмник по сигналу, соответствующему комбинации из n элементов, принимает окончательное решение на выдачу комбинации в приёмник информации ПИ или на ее стирание и переспрос. Формируемый в приемнике сигнал подтверждения приема комбинации или сигнал переспроса передается по каналу ОС в передатчик системы. В зависимости от этого сигнала передатчик или передает новую комбинацию, полученную от датчика информации ДИ, или повторяет ранее переданную. Следовательно, основной особенностью систем РОС, является то, что в них активная роль принадлежит приемнику, а передатчик лишь употребляется приемником с помощью сигналов, передаваемых по каналу ОС. Канал ОС используется в этих системах для передачи решений, принимаемых приемником по комбинациям, поэтому такая ОС и была названа решающей.
1.2.Системы с информационной ОС (рис.1Б), в которых канал ОС используется для передачи информации о принятой комбинации или о состоянии канала связи. Информация анализируется передатчиком и по результатам анализа принимается решение на повторение ранее переданных комбинаций, получаемых от ДИ. После этого передатчик передает служебные сигналы о принятом решении, а затем кодовые комбинации.
ис
пс
ПК пр
ПК
пер
Прямой
канал
![]()
![]()
![]()
![]()
![]()
![]()
![]()
ру
![]()
![]()
![]()
![]()
Обратный канал
ОК
пер
ОК
пр
![]()
![]()
![]()
![]()
А)
Прямой канал
ис
ПК
пер
ПК
пр
пс
![]()
![]()
![]()
![]()
![]()
![]()
ру
![]()
![]()
![]()
ОК
пр
Обратный канал
ОК
пер
![]()
![]()
Б)
Рис 1. 1.Структурные схемы системы ПД с ОС
А) – с РОС; Б) – с ИОС; ПКпер – передатчик прямого канала; ПКпр – приемник прямого канала; ОКпер – передатчик обратного канала; ОКпер – приемник обратного канала; РУ – решающее устройство.
1.3.Системы с комбинированной ОС, в которых решение о повторной передаче или выдаче комбинации в ПИ может приниматься и в приемнике и в передатчике системы, а канал ОС используется как для передачи решений, принятых приемником системы, так и для передачи информации о принятой информации или состоянии канала связи.
Системы с ОС также делятся на системы с ограниченным числом повторений и с неограниченным числом повторений.
Системы с ОС, в которых используется информация, содержащаяся в забракованных комбинациях, называются системами с памятью. Если же забракованные комбинации отбрасываются, то системы называются системами без памяти.
В зависимости от способа передачи сигнала ОС различают:
1.Системы со специальным обратным каналом.
2.Системы, в которых обратный канал выделяется методами частотного разделения.
3.Системы, в которых обратный канал выделяется методами временного уплотнения.
4.Системы со структурным разделением, в которых для передачи сигнала ОС используется специальная кодовая комбинация. В приемнике любая разрешенная комбинация (кроме выделенной для сигнала ОС) дешифруется как сигнал подтверждения, а любая неразрешенная комбинация - как сигнал переспроса.
5.Системы со структурно - временным методом разделения, в которых для передачи сигналов ОС выделяются специальные разряды среди не избыточных элементов комбинации корректирующего кода и одновременно любая неразрешенная комбинация, воспринимается приемником как сигнал переспроса.
По типу дискретных каналов различают системы, предназначенные для работы по симплексным каналам, и системы, работающие по дуплексным каналам.
Обратной связью могут быть охвачены различные части системы (рис.2):
канал связи, при этом по каналу ОС передаются сведения о принимаемом сигнале до принятия какого-либо решения
дискретный канал, при этом по каналу ОС передаются решения, принятые первой решающей схемой РС1 на основе анализа единичных элементов сигнала
канал передачи данных, при этом по каналу ОС передаются решения, принятые второй решающей схем РС2 на основе анализа кодовых комбинаций.
В первом случае для контроля канала связи используются устройства типа детектора качества, которые анализируют те или иные параметры принимаемого сигнала (амплитуду, частоту, длительность) или уровень помех. При этом по каналу ОС могут передаваться команды на изменения параметров передаваемых сигналов: мощности, спектрального состава, темпа передачи, избыточности кода и т.п. На передающей стороне должны быть предусмотрены соответствующие органы воздействия на источники сигналов: регуляторы мощности, корректоры, кодопреобразователи, управляемыми сигналами, поступающими по каналам ОС.
Во втором случае в качестве анализатора в качестве анализатором служит обычно детектор качества, контролирующий амплитуду, или краевые искажения сигнала после демодуляции, или и то, и другое.
В третьем случае анализатором служит сам декодер канала, принимающий решение о наличии или отсутствии ошибок в принятых кодовых комбинациях.
кодер
УПС
Канал
связи
РС1
РС2
![]()
![]()
![]()
![]()
![]()
![]()
![]()
![]()
![]()
![]()
![]()
![]()
![]()
![]()
![]()
![]()
![]()
![]()
![]()
![]()
![]()
![]()
Рис. 1.2 .Анализ кодовой комбинации
2.ИНТЕРФЕЙС.СТАНДАРТ RS-232-E
В 1969 году група промышленных корпораций США на основании рекомендаций EIA разработала вариант С своего стандарта RS-232. Модификация D этого стандарта введена в 1987 году и, наконец, в 1991-м была выпущена последняя модификация 232-Е которая используется и поныне. Существует аналог данного стандарта - это партоколы МККТТ V.24 и V.28.
Стандарт предназначен для регламентирования связи между оконечным оборудованием связи ( ООД )( терминал ) и оконечным оборудованием линии ( ООЛ )( модем ) при обмене двоичной информацией в последовательной форме.
перегрузки; Места соединения оборудования называются цепями стыка. Существует 4 разновидности стыков :
С1 - канальный, находится на выходе передатчика и на входе приемника, регламентирует входное и выходное сопротивлние, регулирует уровень сигнала и устанавливает его допустимое значение;
С2 - преобразования, находится между ООД и ООЛ и представляет собой 25- или 26-проводную шину в которой ООД использует розеточную, а ООЛ - вилочную часть разъема, служит для обмена данными и синхронизации ООД и ООЛ;
С3 - защитный, между ООЛ и устройством защиты от
С4 - мультиплексирования, между ООЛ и мультиплексным коммутатором.
Стандарт МККТТ V.24 содержит функциональные определения сигналов интерфейса, а V.28 - электрические характеристики интерфейса.
С1 С2
Канал связи
ООД
УПС
С3
ООД
УПС
УЗО
Канал связи
УПС
МДП
УЗО
Канал связи
ПК
![]()
С4
УПС
![]()
Рис .2. Цепи стыка
Интерфейс RS-232 основан на биполярной логике. Первое сстояние "метка" реализуется при действии на линии напряжения -3 - -15 В, а второе +3 - +15 В. Интервал -3 - +3 В - переходная зона неопределенности. Приемник и передатчик без повреждений выдерживают диапазон +25 - -25 В.
2.1.Сигналы интерфейса. Назначение
Все сигналы делятся на 4 группы : данные ( представляют собой последовательность импульсов,с частотой равной скорости передачи ) , управления ( два уровня : сигнальный и нулевой ), синхронизация
( последовательность коротких импульсов с частотой передачи ) и земля.
Земля ( AB-102 ) - общий провод для всех электрических цепей,присоединяется к корпусу;
Передаваемые данные ( BA-103 ) - информационные сигналы,вырабатываемые локальным ООД для передачи локальному ООЛ;
Принимаемые данные ( BB-104 ) - информационные сигналы, вырабатываемые локальным ООЛ для передачилокальному ООД;
Запрос передатчика ( CA-105 ) - вырабатывается ООД, обеспечиваетвактивном состоянии удержание ООЛ в режиме передачи;
Сброс передатчика ( CB-106 ) - вырабатывается ООЛ, запрашивает
о готовности ООЛ устройства принимать данныеот ООД;
Готовность ООД ( CD-108 ) - вырабатывается ООД, готовит ООЛ
соединению с каналом связи;
Готовность ООЛ ( CC-107 ) - вырабатывается ООЛ, сигнал
готовности ООЛ к работе с ООД;
Указатель вызовов ( CE-125 ) - ООЛ сообщает о приеме сигналов
вызова по каналу;
Указатель сигнала по линии приема ( CF-109 ) - ООЛ указывает о
возможности установления подходящей связи;
Указатель качества связи ( CG-110 ) - использовать нерекомендуется;
ООД переключения скорости передачи ( CH-111 ) - сигнализирует
ООД об одной из 2-х возможных скоростей передачи для ООЛ;
ООЛ переключения скоростей передачи ( CI-112 ) - выбор ООЛ
одной из скоростей передачи;
Готовность к приему данных ( CJ-133 ) - 00Д активизирует сигнал
сообщения ООЛ о готовности к приему данных;
Петлевая конфигурация локальной ООЛ ( LL-141 ) – ООД переводит ООЛ в режим петлевого тестирования;
Петлевая конфигурация удаленной ООЛ ( RL-140 ) – ООД переводит удаленную ООЛ в режим дистанционного тестирования;
Режим тестирования ( TH-142 ) - ООЛ сообщает ООД о переходе в режим тестирования;
ООД - синхронизация передатчика ( DA-113 ) – ООД вырабатывает сигналы для обеспечения синхронизации ООЛ при передаче;
ООЛ - синхронизация передатчика ( DB-114 ) – ООЛ обеспечивает синхронизацию ООД при передаче;
ООЛ - синхронизация приемника ( DD-115 ) - ООЛ обеспечивает синхронизацию ООД при приеме;
Передаваемые данные (дополнительный канал ) ( SBA-116 ) – ООД посылает данные к ООЛ для передачи по дополнительному каналу;
Принимаемые данные ( SBB-119 ) - ООЛ передает данные для ООД по дополнительному каналу;
Запрос передатчика ( SCA-120 ) - ООД устанавливает ООЛ в режим пердачи по дополнительному каналу;
Сброс передатчика ( SCB-121 ) - ООЛ подтверждает возможность работы с дополнительным каналом;
Указатель сигнала на линии приема ( SCF-122 ) – ООЛ информирует ООД о приеме несщей ( сигнала ), по дополнительному каналу.
2.2.Полудуплексный режим
В полудуплексном режиме АПД попеременно работает на передачу и на прием .Изменение направления передачи осуществляется тем ООД, которое распознает конец принятого сообщения. Конец может быть выявлен по принятой последовательности битов (после чего ООД на передающей стороне переводит цепь 105 в состояние «выключено» и в АПД выключается передатчик) или по снижению уровня приема ниже установленного минимального значения. В обоих случаях ООД на приемной стороне должно ожидать перехода цепи 109 в состояние «выключено». Такой переход происходит после упомянутого снижения уровня приема не сразу ,а лишь через определенное время последействия (tпосл на рис.),превышающее длительность перерывов , которые возможны в канале связи . только когда зафиксировано состояние «выключено» цепи 109,ООД оконечной установки , работавшей ранее на прием ,переключается на передачу ,переводя цепь 105 в состояние «включено». Передача данных начинается после того ,как АПД посредством перевода цепи 106 в состояние «включено» откроет соединительный тракт. До тех пор ,пока цепь 105 находится в состоянии «включено»,цепь приема данных 104 работающей на передачу установки для защиты от ложных изменений состояния должна находиться в состоянии «1». Установка 1 – передающая Установка 1 - приемная
![]()
![]()
Установка 2 – приемная Установка 2 - передающая




Вкл Цепь№

Выкл 105


Вкл



Выкл tз 106



Вкл 109
Выкл tсраб


0 103

1
0 104
1 Время

Вкл 105



Выкл
Вкл 106







Выкл tз

Вкл tсраб tпосл 109

Выкл
0 103
1
![]()
0 104
1
Рис. 3. Последовательности сигналов на стыке между АПД и ООД при работе в полудуплексном режиме и изменении направления передачи: tс раб – время срабатывания цепи 109; tпосл – время последействия цепи 109;tз- время задержки между переходами в состояние «включено» цепей 105 и 106
По окончании переданного сообщения ООД переводит цепь 105 в состояние «выключено». С появлением состояния «выключено»цепи 106 АПД прекращает дальнейшую передачу данных . работавшая ранее на передачу АЛД не сразу готова к приему : вначале может оказаться необходимым сохранение в течение некоторого времени в ее передатчике блокировки цепи 104 для защиты от ошибок, вызванных эхом в линии связи . затем в течение времени задержки ,предусмотренного для цепи 109 , определяется очередное значение уровня приема ; в синхронном режиме , кроме того ,синхронизируется АПД, а при наличии в системе адаптивного корректора производится его настройка.
3.Системы синхронизации
Синхронизация есть процесс установления и поддержания синхронного состояния между двумя и более процессами (т.е. соответствующие события в них должны происходить одновременно). Различают три вида синхронизации поэлементную, групповую и цикловую. В соответствии с Госстандартом поэлементная, групповая и цикловая синхронизация – это синхронизация переданного и принятого цифровых сигналов данных, при которой устанавливаются и поддерживаются требуемые фазовые соотношения между значащими моментами переданных и принятых соответственно единичных элементов сигналов, групп единичных элементов этих сигналов и циклов их временного объединения. Поэлементная синхронизация –это установление соответствия между значащими моментами единичных элементов на передаче и на приёме. Групповая синхронизация обеспечивает правильное разделение принятой последовательности на кодовые комбинации, а цикловая синхронизация – правильное разделение циклов временного объединения элементов на приёме.
3.1.Методы и устройства поэлементной синхронизации
К устройствам поэлементной синхронизации предъявляются следующие требования:
1. Высокая точность синхронизации. Допустимое относительное отклонение синхроимпульсов от моментов, соответствующих идеальной синхронизации, eдоп = ± 3%.
2. Малое время вхождения в синхронизм, как при первоначальном включении, так и после прерывания связи.
3. Сохранение синхронизма при наличии помех и кратковременных прерываний связи.
4. Независимость точности синхронизации от статической структуры передаваемого сообщения.
Классификация методов поэлементной синхронизации
Поэлементная синхронизация может быть обеспечена за счёт использования автономного источника – хранителя эталона времени и методов вынужденной синхронизации. Первый способ применяется в тех случаях, когда длительность связи, включая время вхождения в связь, не превышает время сохранения синхронизации. В качестве автономного источника можно использовать местный генератор с высокой стабильностью.
Методы вынужденной синхронизации могут быть основаны на использовании отдельного канала (по которому передаются импульсы, необходимые для подстройки местного генератора) или рабочей (информационной) последовательности. Использование первого метода снижает пропускную способность рабочего канала за счёт выделения дополнительного синхроканала. Поэтому на практике чаще всего используется второй метод.
По способу формирования тактовых импульсов устройства синхронизации с вынужденной синхронизацией подразделяются на разомкнутые (без обратной связи) и замкнутые (с обратной связью).
Разомкнутые устройства поэлементной синхронизации
В разомкнутых (резонансных) устройствах синхронизации синхросигналы (тактовые импульсы) выделяются непосредственно из информационной последовательности элементов.
Формирование синхроимпульсов обеспечивается на основе выделения из принятой последовательности элементов сигнала с частотой f = 1 / t0 элементов с помощью высокоизбирательных резонансных контуров с частотой настройки 2fт= 1/t0. Для формирования частоты 2fт используют нелинейные преобразователи сигнала. К достоинствам резонансных систем следует отнести простоту реализации, к недостаткам – сильную зависимость точности синхронизации от статической структуры текста и искажений единичных элементов; нарушение синхронизма при кратковременных перерывах связи.
3.2.Разомкнутые устройства поэлементной синхронизации
В разомкнутых (резонансных) устройствах синхронизации синхросигналы (тактовые импульсы) выделяются непосредственно из информационной последовательности элементов.

Рис.3.2. Структурная схема резонансного устройства поэлементной синхронизации
Формирование синхроимпульсов обеспечивается на основе выделения из принятой последовательности элементов сигнала с частотой f = 1 / 0 элементов с помощью высокоизбирательных резонансных контуров с частотой настройки 2fт= 1/0. Для формирования частоты 2fт используют нелинейные преобразователи сигнала. К достоинствам резонансных систем следует отнести простоту реализации, к недостаткам – сильную зависимость точности синхронизации от статической структуры текста и искажений единичных элементов; нарушение синхронизма при кратковременных перерывах связи.
3.3.Замкнутые устройства поэлементной синхронизации
Замкнутые устройства синхронизации широко используются в низко – и среднескоростных системах связи.Замкнутые устройства синхронизации разделяются на два подкласса: с непосредственным воздействием на задающий генератор синхроимпульсов и с косвенным воздействием.
Устройства синхронизации с непосредственным воздействием на частоту генераторов по способу управления делятся на две группы:
1) устройства с дискретным (релейным) управлением, в которых управляющее устройство дискретно изменяет управляющий сигнал время от времени. В интервалах между подстройками управляющий сигнал остаётся постоянным и зависит от величины расхождения по фазе;
2) устройства с непрерывным (плавным) управлением, в которых управляющее устройство непрерывно воздействует на генератор синхроимпульсов, а
управляющий сигнал пропорционален величине расхождения фаз.

ТИ
![]()
L1
С1 L0
C0
Рис. 3.3. Структурная схема устройства синхронизации с дискретным управлением
Особенность устройства синхронизации с непрерывным (плавным) воздействием на генератор синхроимпульсов состоит в том, что зависимость изменения частоты от расхождения фаз во времени будет иметь плавный характер. Для управления частотой генератора используют управляемый реактивный элемент (варикап). Благодаря плавному изменению частоты и фазы можно добиться более высокой точности поддержания синфазности, чем при дискретном управлении.
Достоинством таких устройств синхронизации является относительная простота реализации, особенно на высоких скоростях работы. К недостаткам следует отнести: небольшую точность синхронизации; трудность обеспечения высокой стабильности вследствие паразитных ёмкостей, возникающих за счёт подключения к контуру генератора реактивного элемента; выход из синхронизма системы при перерыве связи.
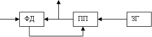
В устройствах синхронизации с косвенным управлением фаза подстраивается в промежуточном преобразователе ПП (рис. 1.4), через который проходят импульсы от задающего генератора.
Т
И
Рис. 3.3.1. Структурная схема устройства синхронизации с косвенным управлением частоты генератора
Устройства синхронизации без непосредственного воздействия делятся на два вида:
1) устройства, в которых промежуточное устройство представляет собой делитель частоты с переменным коэффициентом деления частоты;
2) устройства, в которых в процессе корректировки фазы производится добавление или вычитание импульсов на выходе делителя частоты.
ТИ

Опережает
Отстаёт
Рис.3.3.2 Структурная схема устройства синхронизации, использующего делитель частоты с переменным коэффициентом деления
На рис.3.3.2. приведена структурная схема устройства синхронизации, использующего делитель частоты с переменным коэффициентом деления. В процессе корректирования фазы возможны только два состояния устройства: первое, когда ТИ приёмника смещены вправо относительно ЗМ, т.е. приёмник «отстаёт»; второе, когда ТИ смещены влево относительно поступающих ЗМ, т.е. приёмник «спешит». Рассмотренное устройство синхронизации можно отнести к устройствам с двухпозиционным управлением.
Устройства синхронизация без непосредственного воздействия на генератор с добавлением и вычитанием импульсов на входе частоты относят к трёхпозиционным (рис.3.3.3.). Здесь возможны три случая: импульсы от генератора без изменения проходят на вход делителя частоты ДЧ; к последовательности импульсов, поступающих от генератора ,добавляется один импульс; то же, исключается один импульс.

ФД
ТИ
Рис.3.3.3. Структурная схема устройства синхронизации с добавлением и вычитанием импульсов на входе делителя частоты
3.4.Методы групповой синхронизации
Этот вид синхронизации имеет исключительно значение, так как нарушение синхронизма приводит к неправильному декодированию кодовых комбинаций.
В случаях передачи информации в течение сравнительно короткого времени и при использовании равномерного кодирования, для обеспечения групповой синхронизации достаточно определить начало сеанса связи и послать сигнал пуска (стартовый сигнал) перед передачей информации в канал связи. Такой метод одноразовой передачи синхронизирующей информации называют безмаркерным методом групповой синхронизации. Метод, при котором специальные сигналы, позволяющие отделить одну кодовую комбинацию от другой, посылаются в течение всего сеанса связи, называется маркерным.
Безмаркерный метод групповой синхронизации можно использовать только при синхронном способе передачи.

а)

tФ tФ
б)
Рис. 3.3.4. Схема организации связи при безмаркерном методе групповой синхронизации (а) и временная диаграмма работы устройства синхронизации (б)
Недостатки безмаркерного метода: необходимость прекращения передачи информации после любого нарушения группой синхронизации; отсутствие постоянного контроля синхронизма приёмника относительно передатчика; необходимость наличия обратного канала для передачи информации о рассинхронизации приёмника. Преимущество безмаркерного метода состоит в том, что фазирование осуществляется без существенного снижения скорости передачи информации.
Маркерный метод можно использовать как при синхронном, так и при стартстопном методах передачи. На рис.3.3.5.,а приведена структурная схема синхронной системы, использующей маркерный метод групповой синхронизации, а на рис. 3.3.6.,б представлена его временная диаграмма.

а)

Время цикла
б)
Рис.3.3.7. Схема организации связи в синхронной системе, использующей маркерный метод групповой синхронизации (а) и временная диаграмма работы устройства синхронизации (б)
Алгоритм работы устройства состоит в следующем. От источника сообщение поступает на накопитель и с помощью щетки распределителя считывается элементов в канал связи. На (n + 1) –м такте считываются элементы маркера, поступающие от датчика маркера. В данном случае за цикл передачи считывается один элемент маркера, который находится в конце кодовой комбинации. На приёме кодовая комбинация с помощью щетки распределителя приёмника записывается элемент за элементом на Нпр. К (n+1) – му выходу распределителя подключён приёмник маркера, выход которого соединён с управляющим устройством УУ. При расхождении распределителей по фазе маркер не поступает на приёмник маркера и УУ смещает щетку распределителя приёма на один шаг. Синхронизм в такой системе контролируется на протяжении всего сеанса работы, так как в каждом цикле передачи имеется элемент маркера.
На рис.3.3.8. приведены структурная схема и временная диаграмма стартстопной системы, которая относится к системам с маркерным методом групповой синхронизации.

а)
![]()
![]()
![]()
Время цикла
б
)
Рис. 3.3.8. Схема организации связи в стартстопной системе, использующей маркерный метод групповой синхронизации (а) и временная диаграмма работы устройства синхронизации (б)
Отличительной особенностью данной схемы по отношению к синхронной является т