Усилитель мощности для 1-12 каналов TV
Министерство образования Российской Федерации
ТОМСКИЙ УНИВЕРСИТЕТ СИСТЕМ
УПРАВЛЕНИЯ И РАДИОЭЛЕКТРОНИКИ
(ТУСУР)
Кафедра радиоэлектроники и защиты информации (РЗИ)
Усилитель мощности для 1-12 каналов TV
Пояснительная записка к курсовому
проекту по дисциплине «Схемотехника аналоговых электронных устройств»
Выполнил
студент гр.148-3
______Далматов В.Н.
Проверил
преподаватель каф. РЗИ
______Титов А.А.
2001
Содержание
1.Введение ..........................................................................................3
2.Техническое задание ......................................................................4
3.Расчётная часть …...........................................................................5
3.1 Определение числа каскадов ...........................................…..5
3.2 Распределение линейных искажений в области ВЧ ........….5
3.3 Расчёт выходного каскада……………………………............5
3.3.1 Выбор рабочей точки...................................................5
3.3.2 Выбор транзистора...................................................…9
3.3.3 Расчёт эквивалентной схемы транзистора…...........10
3.3.4 Расчёт цепей термостабилизации…...………..........12
3.4 Расчёт входного каскада по постоянному току………..…..16
3.4.1 Выбор рабочей точки……………………….............16
3.4.2 Выбор транзистора………………………….............16
3.4.3 Расчёт эквивалентной схемы транзистора…...........17
3.4.4 Расчёт цепей термостабилизации.…………............17
3.5 Расчёт корректирующих цепей……………………..............18
3.5.1 Выходная корректирующая цепь………….............18
3.5.2 Расчёт межкаскадной КЦ……………………..........19
3.5.3 Расчёт входной КЦ …………………………............22
3.6 Расчёт разделительных и блокировочных ёмкостей………………………………………...…...............24
4 Заключение…………………………………………….…………26
5 Приложение А……………………………………………………27
6 Приложение Б…………………………………………………….29
Список использованных источников……………………………..30
1. Введение
В данной курсовой работе требуется рассчитать усилитель мощности для 1-12 каналов TV. Этот усилитель предназначен для усиления сигнала на передающей станции, что необходимо для нормальной работы TV-приёмника, которого обслуживает эта станция. Так как мощность у него средняя(5 Вт), то применяется он соответственно на небольшие расстояния(в районе деревни, небольшого города).В качестве источника усиливаемого сигнала может служить видеомагнитофон, сигнал принятый антенной ДМВ и преобразованный в МВ диапазон. Так как усиливаемый сигнал несёт информацию об изображении, то для получения хорошего качества изображения на TV-приёмнике на усилитель налагаются следующие требования: равномерное усиление во всём диапазоне частот и при этом иметь достаточную мощность и требуемый коэффициент усиления. С экономической точки зрения должен обладать максимальным КПД.
Достижение требуемой мощности даёт использование схемы каскада со сложением напряжения. Для коррекции АЧХ усилителя используются разные приёмы: введение отрицательных обратных связей, применение межкаскадных корректирующих цепей. Так как проектируемый усилитель является усилителем мощности то введение ОС влечёт за собой потерю мощности в цепях ОС что снижает КПД и следовательно применять её в данном усилителе не целесообразно. Применение межкаскадных корректирующих цепей(МКЦ) значительно повышает КПД. В данном усилителе используется МКЦ 3-го порядка, так как она обладает хорошими частотными свойствами.
2. Техническое задание
Усилитель должен отвечать следующим требованиям:
1. Рабочая полоса частот: 49-230 МГц
2. Линейные искажения
в области нижних частот не более 2 дБ
в области верхних частот не более 2 дБ
3. Коэффициент усиления 25 дБ
4. Мощность выходного сигнала Pвых=5 Вт
5. Сопротивление источника сигнала и нагрузки Rг=Rн=75 Ом
3. Расчётная часть
3.1 Определение числа каскадов.
При выборе числа каскадов примем во внимание то, что у мощного усилителя один каскад с общим эмиттером позволяет получать усиление до 6 дБ, а так как нужно получить 15 дБ оптимальное число каскадов данного усилителя равно трём, тогда, в общем, усилитель будет иметь коэффициент усилния 18 дБ (запас 3 дБ).
3.2 Распределение линейных искажений в
области ВЧ
Расчёт усилителя будем проводить исходя из того, что искажения распределены между каскадами равномерно, а так как всего три каскада и общая неравномерность должна быть не больше 2 дБ, то на каждый каскад приходится по 0,7 дБ.
3.3 Расчёт выходного каскада
3.3.1 Выбор рабочей точки
Для расчёта рабочей точки следует найти исходные параметры Iвых и Uвых, которые определяются по формулам:
![]() | |||||
![]() | |||||
Для каскада со сложением напряжений будут справедливы те же формулы , но нагрузка ощущаемая каждым транзистором будет составлять половину Rн и мощность каждого транзистора будет равна половине исходной мощности. Тогда исходные параметры примут следующие значения:
![]() | ||
Выберем, по какой схеме будет выполнен каскад: с дроссельной нагрузкой, резистивной нагрузкой или по схеме со сложением напряжений. Рассмотрим эти схемы и выберем ту, которую наиболее целесообразно применить.
А) Расчёт каскада с резистивной нагрузкой:
Схема каскада представлена на рисунке 3.3.1

Рисунок 3.3.1 Схема каскада с резистивной нагрузкой
![]()
где Uост – остаточное напряжение на коллекторе и при расчёте берут равным Uост=(1~3)В. Тогда:
![]()
Напряжение питания выбирается равным
плюс напряжение на
:
![]()
![]() |
Построим нагрузочные прямые по постоянному и переменному току. Они приведены на рисунке 3.3.2.
Произведём расчет мощностей: потребляемой и рассеиваемой на коллекторе, используя следующие формулы:
Б) Расчёт дроссельного каскада:
Схема дросеельного каскада представлена на рисунке 3.3.3.
Рисунок 3.3.3. Схема дроссельного каскада.
![]() | ||||
Построим нагрузочные прямые по постоянному и переменному току. Они представлены на рисунке 3.3.4.
![]() |
Произведём расчёт мощности :
Каскад с дроссельной нагрузкой имеет лучшие параметры по сравнению с каскадом с резистивной нагрузкой. Это и меньшее напряжение питания, и меньшая рассеиваемая транзистором мощность, однако, не удается найти транзистор который бы выдавал необходимую на нагрузку мощность (по заданию 5 Вт) в заданной полосе частот (49-230 МГц).Поэтому рассчитаем каскад со сложением напряжений. В схеме со сложением напряжений, мощности, выдаваемые двумя транзисторами, складываются на нагрузке. То есть каждый транзистор должен отдавать лишь половину необходимой на нагрузке мощности.
В) Расчёт каскада со сложением напряжений:
Схема каскада со сложением напряжений представлена на рисунке 3.3.5.

Рисунок 3.3.5. Схема каскада со сложением напряжений.
![]()
![]()
![]()
![]() |
Построим нагрузочные прямые по постоянному и переменному току. Они представлены на рисунке 3.3.6.
Рисунок 3.3.6 – Нагрузочные прямые по постоянному и переменному току.
Произведём расчёт мощности :
![]()
Для удобства сравнения каскадов составим таблицу в которую занесем напряжение питания каскадов, потребляемую и рассеиваемую ими мощности, а так же напряжение коллектор-эммитер и ток коллектора.
Табл. 3.3.1 характеристики каскадов

Анализируя полученные результаты представленные в таблице 3.3.1 можно прийти к выводу, что целесообразней использовать схему каскада со сложением напряжений, так как значительно снижаются потребляемая мощность и величина питающего напряжения. Так же выбор каскада со сложением напряжений обусловлен большой полосой пропускания, по заданию от 49МГц до 230МГц, и достаточно большой выходной мощностью – 5 Вт. При выборе другого каскада, резестивного или дроссельного, возникают проблемы с выбором транзистора, тогда как каскад со сложением напряжений позволяет достич заданные требования.
3.3.2 Выбор транзистора
Выбор транзистора осуществляется с учётом следующих предельных параметров:
1. граничной частоты усиления транзистора по току в схеме с ОЭ
;
2. предельно допустимого напряжения коллектор-эмиттер
;
3. предельно допустимого тока коллектора
;
4. предельной мощности, рассеиваемой на коллекторе
.
Этим требованиям полностью соответствует транзистор КТ934Б. Его основные технические характеристики приведены ниже.(1)
Электрические параметры:
1. Граничная частота коэффициента передачи тока в схеме с ОЭ
МГц;
2. Постоянная времени цепи обратной связи при В
пс;
![]()
3.
Статический коэффициент передачи тока в схеме с ОЭ ;
![]()
4. Ёмкость коллекторного перехода при В пФ;
![]()
5.
6. Индуктивность вывода базы нГн;
7.
8. Индуктивность вывода эмиттера нГн
Предельные эксплуатационные данные:
1. Постоянное напряжение коллектор-эмиттер В;
2.
Постоянный ток коллектора
А;
3. Постоянная рассеиваемая мощность коллектора Вт;
3.3.3 Расчёт эквивалентной схемы транзистора
Существует много разных моделей транзистора. В данной работе произведён расчёт моделей: схемы Джиаколетто и однонаправленной модели на ВЧ.
В соответствии с (2, 3,), приведенные ниже соотношения для расчета усилительных каскадов основаны на использовании эквивалентной схемы замещения транзистора приведенной на рисунке 3.3.7, либо на использовании его однонаправленной модели (2, 3) приведенной на рисунке 3.3.8
А) Расчёт схемы Джиаколетто:
Схема Джиаколетто представлена на рисунке 3.3.7.

Рисунок 3.3.7 Схема Джиаколетто.
Найдем при помощи постоянной времени цепи обратной связи сопротивление базового перехода по формуле:
![]()
(2.9)
При чём
и
доложны быть измерены при одном напряжении Uкэ. А так как справочные данные приведены при разных напряжниях, необходимо воспользоваться формулой перехода, котоая позволяет вычислить
при любом значении напряжения Uкэ:
(2.10)
в нашем случае:

![]()
Подставим полученное значение в формулу :
, тогда ![]()
Найдем значения остальных элементов схемы:
, где (2.11)
– сопротивление эмиттеного перехода транзистора
Тогда ![]()
Емкость эмиттерного перехода: ![]()
Выходное сопртивление транзистора:
(2.12)
(2.13)
![]()
Б) Расчёт однонаправленной модели на ВЧ:
Схема однонаправленной модели на ВЧ представлена на рисунке 3.3.8 Описание такой модели можно найти в (3).

Рисунок 3.3.8 однонаправленная модель транзистора
Параметры эквивалентной схемы рассчитываются по приведённым ниже формулам.
Входная индуктивность:
,
где
–индуктивности выводов базы и эмиттера, которые берутся из справочных данных.
Входное сопротивление:
, (3.3.4)
Выходное сопротивление имеет такое же значение, как и в схеме Джиаколетто:
.
Выходная ёмкость- это значение ёмкости
вычисленное в рабочей точке:
.
3.3.4 Расчёт цепей термостабилизации
При расчёте цепей термостабилизации нужно для начала выбрать вариант схемы. Существует несколько вариантов схем термостабилизации: пассивная коллекторная, активная коллекторная и эмиттерная. Их использование зависит от мощности каскада и от того, насколько жёсткие требования к термостабильности. Рассмотрим эти схемы.
3.3.4.1 Эмиттерная термостабилизация
Эмитерная стабилизация применяется в основном в маломощных каскадах и является достачно простой в расчёте и при этом эффективной. Схема эмиттерной термостабилизации приведена на рисунке 3.3.9. Метод расчёта и анализа эмиттерной термостабилизации подробно описан в (4).

Рисунок 3.3.9 эммитерная термостабилизация
Расчёт производится по следующей схеме:
1.Выбираются напряжение эмиттера
и ток делителя
, а также напряжение питания
;
2. Затем рассчитываются
.
Напряжение эмиттера
выбирается равным
. Ток делителя
выбирается равным
, где
- базовый ток транзистора и вычисляется по формуле:
мА.
А
Учитывая то, что в коллекторной цепи отсутствует резистор, то напряжение питания рассчитывается по формуле
В. Расчёт величин резисторов производится по следующим формулам:
Ом;
Ом;
Ом;
3.3.4.2 Активная коллекторная термостабилизация
Активная коллекторная термостабилизация используется в мощных каскадах и является достаточно эффективной, её схема представлена на рисунке 3.3.10. Её описание и расчёт можно найти в (5).

Рисунок 3.3.10 Схема активной коллекторной термостабилизации.
В качестве VT1 возьмём КТ814А. Выбираем падение напряжения на резисторе
из условия
(пусть
В), тогда
. Затем производим следующий расчёт:
; (3.3.11)
; (3.3.12)
; (3.3.13)
; (3.3.14)
, (3.3.15)
где
– статический коэффициент передачи тока в схеме с ОБ транзистора КТ814;
; (3.3.16)
; (3.3.17)
. (3.3.18)
Получаем следующие значения:
Ом;
мА;
В;
А;
А;
Ом;
Ом.

Величина индуктивности дросселя выбирается таким образом, чтобы переменная составляющая тока не заземлялась через источник питания, а величина блокировочной ёмкости – таким образом, чтобы коллектор транзистора VT1 по переменному току был заземлён.
3.3.4.3 Пассивная коллекторная термостабилизация
Наиболее экономичной и простейшей из всех схем термостабилизации является коллекторная стабилизация. Стабилизация положения точки покоя осуществляется отрицательной параллельной обратной связью по напряжению, снимаемой с коллектора транзистора. Схема коллекторной стабилизации представлена на рисунке 3.3.11.

Рисунок 3.3.11 Схема пассивной коллекторной термостабилизации
Рассчитаем основные элементы схемы по следующим формулам:

Выберем напряжение URк=5В и рассчитаем значение сопротивления Rк.
Зная базовый ток рассчитаем сопротивление Rб
Определим рассеиваемую мощность на резисторе Rк
Как было сказано выше, эмиттерную термостабилизацию в мощных каскадах применять “невыгодно” так как на резисторе, включённом в цепь эмиттера, расходуется большая мощность. В нашем случае лучше выбрать активную коллекторную стабилизацию.
3.4 Расчёт входного каскада
3.4.1 Выбор рабочей точки
При расчёте режима предоконечного каскада условимся, что питание всех каскадов осуществляется от одного источника напряжения с номинальным значением Eп. Так как Eп=Uк0, то соответственно Uк0 во всех каскадах берётся одинаковое, то есть Uк0(предоконечного к.)=Uк0(выходного к). Мощность, генерируемая предоконечным каскадом должна быть в коэффициент усиления выходного каскада вместе с МКЦ(S210) раз меньше, следовательно, и Iк0, будет во столько же раз меньше. Исходя из вышесказанного координаты рабочей точки примут следующие значения: Uк0= 15 В; Iко=0.4/2.058= 0.19 А. Мощность, рассеиваемая на коллекторе Pк= Uк0 Iк0=2.85 Вт.
3.4.2 Выбор транзистора
Выбор транзистора был произведён в пункте 3.3.5.2 Выбор входного транзистора осуществляется в соответствии с требованиями, приведенными в пункте 3.3.2. Этим требованиям отвечает транзистор КТ913А. Его основные технические характеристики приведены ниже.(1)
Электрические параметры:
1. граничная частота коэффициента передачи тока в схеме с ОЭ
МГц;
2. Постоянная времени цепи обратной связи
пс;
3. Статический коэффициент передачи тока в схеме с ОЭ
;
4. Ёмкость коллекторного перехода при
В
пФ;
5. Индуктивность вывода базы
нГн;
6. Индуктивность вывода эмиттера
нГн.
Предельные эксплуатационные данные:
1. Постоянное напряжение коллектор-эмиттер
В;
2. Постоянный ток коллектора
А;
3.4.3 Расчёт эквивалентной схемы транзистора
Эквивалентная схема имеет тот же вид, что и схема представленная на рисунке 3.3. Расчёт её элементов производится по формулам, приведённым в пункте 3.3.3.
нГн;
пФ;
Ом
Ом;
Ом;
пФ.
3.4.4 Расчёт цепи термостабилизации
Для входного каскада также выбрана активная коллекторная термостабилизация.
В качестве VT1 возьмём КТ814А. Выбираем падение напряжения на резисторе
из условия
(пусть
В), тогда
. Затем производим следующий расчёт:
; (3.3.11)
; (3.3.12)
; (3.3.13)
; (3.3.14)
, (3.3.15)
где
– статический коэффициент передачи тока в схеме с ОБ транзистора КТ814;
; (3.3.16)
; (3.3.17)
. (3.3.18)
Получаем следующие значения:
Ом;
мА;
В;
А;
А;
Ом;
кОм
3.5 Расчёт корректирующих цепей
3.5.1 Расчёт выходной корректирующей цепи
Расчёт всех КЦ производится в соответствии с методикой описанной в (2). Схема выходной корректирующей цепи представлена на рисунке 3.12

Рисунок 3.3.12 Схема выходной корректирующей цепи
Выходную корректирующую цепь можно рассчитать с использованием методики Фано, которая подробно описана в методическом пособии (2). Зная Свых и fв можно рассчитать элементы L1 и C1 .
Найдём
– выходное сопротивление транзистора нормированное относительно
и
.
(3.5.1)
.
Теперь по таблице приведённой в (2) найдём ближайшее к рассчитанному значение
и выберем соответствующие ему нормированные величины элементов КЦ
и
.

Найдём истинные значения элементов по формулам:
; (3.5.2)
; (3.5.3)
.
Гн; (3.5.4)
Ф;
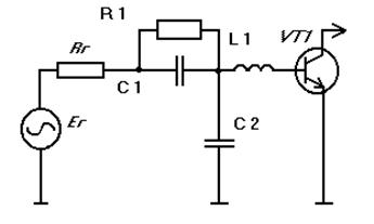
3.5.2 Расчёт межкаскадной КЦ
В данном усилителе имеются две МКЦ: между входным каскадом и каскадом со сложением напряжений и на входе усилителя. Это корректирующие цепи третьеого порядка. Цепь такого вида обеспечивает реализацию усилительного каскада с наклоном АЧХ, лежащим в пределах необходимых отклонений (повышение или понижение) с заданными частотными искажениями (2).
Расчёт межкаскадной корректирующей цепи, находящейся между входным каскадом и каскадом со сложением напряжений:
Принципиальная схема МКЦ представлена на рисунке 3.3.13

Рисунок 3.3.13. Межкаскадная корректирующая цепь третьего порядка
При расчёте используются однонаправленные модели на ВЧ входного и предоконечного транзисторов. В схеме со сложением напряжений оба транзистора выбираются одинаковыми. Возникает задача: выбор предоконечного транзистора. Обычно его выбирают ориентировочно, и если полученные результаты будут удовлетворять его оставляют.
Для нашего случая возьмём транзистор КТ913А (VT1), который имеет следующие эквивалентные параметры:
Свых=5.5 пФ
Rвых=55 Ом
И транзистор КТ 934Б (VT2), имеющий следующие эквивалентные параметры:
Lвх=3.8 нГн
Rвх=0.366 Ом
![]()
При расчёте будут использоваться коэффициенты:
,
,
, значения которых берутся исходя из заданной неравномерности АЧХ. Таблица коэффициентов приведена в методическом пособии (2) В нашем случае они соответственно равны: 2.31, 1.88, 1.67. Расчет заключается в нахождении нормированных значений:
и подставлении их в соответствующие формулы, из которых находятся нормированные значения элементов и преобразуются в действительные значения.
Итак, произведём расчёт, используя следующие формулы:
,
,
=
- нормированные значения
,
,
.
Подставим исходные параметры и в результате получим:

Зная это, рассчитаем следующие коэффициенты:
![]()
;
; (2.32)
;
получим:

Отсюда найдем нормированные значения
,
, и
:

где
; (2.33)
;
;
.
При расчете получим:

и в результате:

Рассчитаем дополнительные параметры:
(2.34)
(2.35)
где S210- коэффициент передачи оконечного каскада.
Для выравнивания АЧХ в области нижних частот используется резистор
, рассчитываемый по формуле:
(2.36)
Найдем истинные значения остальных элементов по формулам:
,
,
, (2.37)
![]()
![]()
![]()
3.5.3 Расчёт входной КЦ
Схема входной КЦ представлена на рисунке 3.5.14. Её расчёт, а также табличные значения аналогичны описанным в пункте 3.5.1.

Рисунок 3.5.14 входная коректирующая цепь
Расчитаем входную коректирующую цепь:
,
,
=
- нормированные значения
,
,
.
Подставим исходные параметры и в результате получим:

Зная это, рассчитаем следующие коэффициенты:
![]()
;
; (2.32)
;
получим:

Отсюда найдем нормированные значения
,
, и
:

где
; (2.33)
;
;
.
При расчете получим:

и в результате:

Рассчитаем дополнительные параметры:
(2.34)
(2.35)
где S210- коэффициент передачи оконечного каскада.
Для выравнивания АЧХ в области нижних частот используется резистор
, рассчитываемый по формуле:
(2.36)
Найдем истинные значения остальных элементов по формулам:
,
,
, (2.37)
![]()
![]()
![]()
На этом расчёт входного каскада закончен.
3.6 Расчёт разделительных и блокировочных ёмкостей
Дроссель в коллекторной цепи каскадов ставится для того, чтобы выход транзистора по переменному току не был заземлен. Его величина выбирается исходя из условия:
. (3.6.3)
мкГн.
Сопротивление и емкость обратной связи, стоящие в цепи базы выходного транзистора расчитаем по формулам:


Подставив значения получим:
![]()


Разделительные емкости.
Устройство имеет 4 реактивных элемента, вносящих частотные искажения на низких частотах. Эти элементы – разделительные емкости. Каждая из этих емкостей по техническому заданию должна вносить не более 0.75 дБ частотных искажений. Номинал каждой емкости с учетом заданных искажений и обвязывающих сопротивлений рассчитывается по формуле:
(1.38)
где Yн – заданные искажения; R1 и R2 – обвязывающие сопротивления, Ом; wн – нижняя частота, рад/сек.
Приведем искажения, заданные в децибелах:
, (1.39)
где М – частотные искажения, приходящиеся на каскад, Дб. Тогда

![]()
Номинал разделительной емкости оконечного каскада:
![]()
Номинал разделительной емкости стоящей в цепи коллектора транзистора с общим эмиттером в каскаде со сложением напряжений:
Номинал разделительной емкости стоящей в цепи коллектора входного транзистора:
Номинал разделительной емкости входного каскада:
![]()
Емкость Сбл найдём из условия:
çXСблç << Rк, гдеRк – сопротивление стоящее в цепи коллектора транзистора активной коллекторной термостабилизации представленной на рис.3.3.10.
êХсê=ê1/i×w×Сê=1/w×С
С=1/êХсê×w
Для расчета Сбл возьмем êХсê=0.43 что 500 раз меньше Rк. В итоге получим:
С=1/0.43×2×p×230×106=1.6×10-9
Сбл=1.6 нФ
4. Заключение
Рассчитанный усилитель имеет следующие технические характеристики:
1. Рабочая полоса частот: 49-230 МГц
2. Линейные искажения
в области нижних частот не более 2 дБ
в области верхних частот не более 2 дБ
3. Коэффициент усиления 30дБ с подъёмом области верхних частот 6 дБ
4. Питание однополярное, Eп=16 В
5. Диапазон рабочих температур: от +10 до +60 градусов Цельсия
Усилитель рассчитан на нагрузку Rн=75 Ом
Усилитель имеет запас по усилению 5дБ, это нужно для того, чтобы в случае ухудшения, в силу каких либо причин, параметров отдельных элементов коэффициент передачи усилителя не опускался ниже заданного уровня, определённого техническим заданием.
Поз. Обозна- чение | Наименование | Кол. | Примечание | |||||||||||
Транзисторы | ||||||||||||||
| VT1 | КТ913А | 1 | ||||||||||||
| VT2 | КТ814А | 1 | ||||||||||||
| VT3 | КТ934Б | 1 | ||||||||||||
| VT4 | КТ814А | 1 | ||||||||||||
| VT5 | КТ934Б | 1 | ||||||||||||
| VT6 | КТ814А | 1 | ||||||||||||
Конденсаторы | ||||||||||||||
| С1 | КД-2-0.1нФ ±5% ОЖО.460.203 ТУ | 1 | ||||||||||||
| С2 | КД-2-20пФ ±5% ОЖО.460.203 ТУ | 1 | ||||||||||||
| С3 | КД-2-16пФ ±5% ОЖО.460.203 ТУ | 1 | ||||||||||||
С4, С8, С10,С12 | КМ-6-2.2нФ ±5% ОЖО.460.203 ТУ | 4 | ||||||||||||
| С5 | КД-2-200пФ ±5% ОЖО.460.203 ТУ | 1 | ||||||||||||
| С6 | КД-2-22пФ ±5% ОЖО.460.203 ТУ | 1 | ||||||||||||
| С7 | КД-2-7.6пФ ±5% ОЖО.460.203 ТУ | 1 | ||||||||||||
| С9 | КД-2-110пФ ±5% ОЖО.460.203 ТУ | 1 | ||||||||||||
| С11 | КМ-6-16пФ ±5% ОЖО.460.203 ТУ | 1 | ||||||||||||
| С13 | КД-2-100пФ ±5% ОЖО.460.203 ТУ | 1 | ||||||||||||
| С14 | КМ-6-10пФ ±5% ОЖО.460.203 ТУ | 1 | ||||||||||||
Катушки индуктивности | ||||||||||||||
| L1 | Индуктивность 25нГн ±5% | 1 | ||||||||||||
| L2 | Индуктивность 12нГн ±5% | 1 | ||||||||||||
| L3 | И
Подобные работы:
Актуально:
| |||||||||||||






