Счетчики
Это устройства предназначенные для подсчета числа сигналов, поступающих на его вход и фиксация этого числа в виде кода хранящегося в триггерах. Количество разрядов счетчика определяется наибольшим числом, которое должно быть получено в каждом конкретном случае. Для подсчета и выдачи результата счетчики имеют один вход и n выходов, где n-количество разрядов. В общем случае счетчик имеет 2ⁿ устойчивых состояния, включая и 0-е. Количество устойчивых состояний называется коэффициентом пересчета счетчика (М= 2ⁿ). По назначению счетчики подразделяются на: простые и реверсивные.
Простые счетчики- счетчики, работающие только на сложение или вычитание. Суммирующий счетчик предназначен для выполнения счета в прямом направление, т.е. с приходом очередного сигнала показатель счетчика увеличивается на 1. Вычитающий счетчик предназначен для счета в обратном направлении, т.е. с приходом нового сигнала счетчик уменьшается на 1.
Реверсивный счетчик может работать и на сложение и на вычитание.
По способу организации счета счетчики бывают: асинхронные или синхронные.
По способу организации цепей переноса между разрядами счетчика счетчики бывают: последовательные, параллельные и частичнопараллельные.
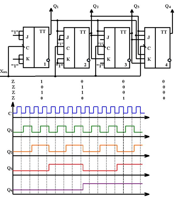
Двоичный счетчик с параллельным переносом.

| Xвх | Q1 | Q2 | Q3 | Q4 |
| 0 | 0 | 0 | 0 | 0 |
| 1 | 1 | 0 | 0 | 0 |
| 1 | 0 | 1 | 0 | 0 |
| 1 | 1 | 1 | 0 | 0 |
| 1 | 0 | 0 | 1 | 0 |
| 1 | 1 | 0 | 1 | 0 |
| 1 | 0 | 1 | 1 | 0 |
| 1 | 1 | 1 | 1 | 0 |
| 1 | 0 | 0 | 0 | 1 |
| 1 | 1 | 0 | 0 | 1 |
| 1 | 0 | 1 | 0 | 1 |
| 1 | 1 | 1 | 0 | 1 |
| 1 | 0 | 0 | 1 | 1 |
| 1 | 1 | 0 | 1 | 1 |
| 1 | 0 | 1 | 1 | 1 |
| 1 | 1 | 1 | 1 | 1 |
Подобные работы: