Аппараты для воздействия на водонефтяные эмульсии магнитным полем
к.т.н. Шайдаков В.В. (Инжиниринговая компания "Инкомп-нефть"), к.т.н. Каштанова Л.Е. (Инжиниринговая компания "Инкомп-нефть"), Емельянов А.В.(Уфимский государственный нефтяной технический университет)
В статье проведен анализ водонефтяных эмульсий Волковского, Южно-Ягунского и Арланского месторождений, а также известных методов и способов, направленных на разрушение водонефтяных эмульсий. Подробно рассмотрены установки для обработки эмульсий электромагнитным полем, показаны их технические характеристики и результаты испытаний.
Обводнение продуктивных пластов нефтяных месторождений вызывает серьезные осложнения при добыче, сборе и подготовке нефти, связанные с образованием водонефтяных эмульсий (1). Образование стойких эмульсий снижает показатели безотказности работы насосных установок из-за увеличения количества обрывов штанг ШГНУ, пробоев электрической части УЭЦН вследствие перегрузок погружного электродвигателя. Рост давления жидкости в системах сбора нефти и газа влечет за собой порывы коллекторов. Затрудняются сепарация газа и предварительный сброс воды. Однако наибольший рост энерго- и металлоемкости, связанный с необходимостью разрушения стойких эмульсий, имеет место в системах подготовки нефти.
1. Причины образования и свойства нефтяных эмульсий
Поскольку водонефтяная эмульсия представляет собой неустойчивую систему, тяготеющую к образованию минимальной поверхности раздела фаз, вполне естественно ожидать наличие у нее склонности к расслоению. Однако в реальных условиях эксплуатации нефтедобывающего оборудования во многих случаях образуются эмульсии, обладающие высокой устойчивостью. Это в значительной степени определяет выбор технологии их дальнейшей обработки, а также глубину отделения водной фазы от нефти. Агрегативную устойчивость эмульсий измеряют временем их существования до полного разделения образующих эмульсию жидкостей. В случае эмульсий, полученных из разных нефтей, их устойчивость может составлять от нескольких секунд до года и более. К причинам, обуславливающим агрегативную устойчивость нефтяных эмульсий, относят:
образование структурно-механического слоя эмульгаторов на межфазной границе глобул;
образование двойного электрического слоя на поверхности раздела в присутствии ионизированных электролитов;
термодинамические процессы, протекающие на поверхности глобул дисперсной фазы;
расклинивающее давление, возникающее при сближении глобул дисперсной фазы, покрытых адсорбционно-сольватными слоями.
Кроме того, устойчивость нефтяных эмульсий зависит от величины глобул воды (ее дисперсности), плотности и вязкости нефти, содержания в ней легких фракций углеводородов, эмульгаторов и стабилизаторов эмульсии, а также от состава и свойств эмульгированной воды.
К естественным стабилизаторам эмульсий относят содержащиеся в нефти асфальтены, смолы, нафтены и парафины, являющиеся природными ПАВ (2). Кроме того, к ним относят мельчайшие твердые частицы веществ (глина, кварц, соли и т. д.), находящихся в продукции скважин во взвешенном состоянии.
В зависимости от концентрации дисперсной фазы в эмульсиях их подразделяют на разбавленные или слабо концентрированные (дисперсной фазы менее 20 %), концентрированные (до 74 %) и высококонцентрированные (свыше 74 %). Разбавленные эмульсии с мелкодисперсной структурой обладают высокой стойкостью к разрушению.
В промысловых эмульсиях размер капель дисперсной водной фазы обычно составляет от 0,1 до 250 мкм. Капли более крупного размера могут существовать только в потоке вследствие быстрой седиментации в статических условиях.
Устойчивость большинства нефтяных эмульсий типа "вода в нефти" со временем возрастает. В процессе старения эмульсии на глобулах воды увеличивается слой эмульгатора и, соответственно, повышается его механическая прочность. При столкновении таких глобул не происходит их коалесценции из-за наличия прочной гидрофобной пленки. Для слияния глобул воды необходимо эту пленку разрушить и заменить ее гидрофильным слоем какого-либо ПАВ. Старение эмульсий интенсивно протекает только в начальный период после их образования, а затем заметно замедляется. Особенности старения обратной эмульсии зависят от состава и свойств нефти, пластовой воды, условий образования эмульсии (температура, интенсивность перемешивания фаз). Известно (3), что пластовая минерализованная вода образует с нефтью более устойчивые и быстро стареющие эмульсии, чем пресная вода.
К основным характеристикам нефтяных эмульсий относят степень разрушения за определенный период времени, эффективную (в ряде случаев структурную) вязкость, средний поверхностно-объемный диаметр эмульгированных капель водной фазы. В совокупности эти параметры отражают интенсивность эмульгирования нефти, ее физико-химические свойства и адсорбцию эмульгатора.
Об интенсивности разрушения эмульсии можно судить по разности между плотностями воды и нефти rD, а также отношению суммарного содержания асфальтенов (а) и смол (с) к содержанию парафинов (n) в нефти (а+с)/n. Последний показатель предопределяет способ деэмульгирования нефтяных эмульсий (4). Показатель rD соответствует движущей силе гравитационного отстаивания. Оба показателя являются качественными характеристиками эмульсий и позволяют разделять их на группы.
В зависимости от соотношения плотностей воды и нефти эмульсии классифицируют (5) на трудно расслаиваемые (rD = 0,200-0,250 г/см3), расслаиваемые (rD = 0,250-0,300 г/см3) и легко расслаиваемые (rD = 0,300-0,350 г/см3). По показателю (а+с)/n нефти подразделяют на смешанные ((а+с)/n = 0,951-1,400), смолистые ((а+с)/n = 2,759-3,888) и высокосмолистые ((а+с)/n = 4,774-7,789). Исходя из этого, например, водонефтяные эмульсии Вятской площади Арланского (rD = 0,281-0,284 г/см3) и Волковского (rD = 0,268 г/см3) месторождений относятся к расслаиваемым, а Южно-Ягунского v к трудно расслаиваемым (rD = 0,158-0,174 г/см3). Нефти данных месторождений являются высокосмолистыми, так как значения показателя (а+с)/n составляют 9,18; 6,0-6,25 и 6,83-7,75 для Вятской площади Арланского и Волковского месторождений, а также Южно-Ягунского месторождения соответственно (табл. 1).
Таблица 1
Физико-химические свойства эмульсий некоторых нефтяных месторождений
| Параметры | Волковское месторождение | Южно-Ягунское месторождение | Вятская площадь Арланского месторождения |
| Плотность при 20 0С, г/см3 | 0, 870 | 0,850 | 0, 884-0,887 |
| Содержание воды, % | От 60 до 70 | 70,1 | От 65 до 75 |
| Механические примеси, мг/л | От 300 до 500 | - | От 150 до 350 |
| Смолы, % вес | От 15 до 20 | 11,0 | 18,8 |
| Асфальтены, % вес | От 3 до 5 | 2,9 | 6,9 |
| Парафины, % вес | От 3 до 4 | 1,8 | 2,8 |
| Плотность водной фазы, г/см3 | 1,138 | 1,013 | 1,168 |
| Вязкость кинематическая при 200С, мм2/с | - | 30,59 | От 30,0 до 40,5 |
Совместный подъем пластовых жидкостей в скважинах происходит с одновременным их смешением и диспергированием в насосном оборудовании. Интенсивное перемешивание пластовых жидкостей в рабочих органах насосных установок и последующая адсорбция природных стабилизаторов на межфазной поверхности в подъемнике приводят к тому, что на устье скважин формируются агрегативно устойчивые высокодисперсные эмульсии обратного типа.
Механизм дробления водной фазы по П.А. Ребиндеру (6) заключается в том, что вначале в поле сдвиговых деформаций происходит вытягивание водной глобулы (она приобретает цилиндрическую форму), которое сопровождается увеличением межфазной поверхности контакта воды и масла. Достигнув критической длины, обычно исчисляемой двумя диаметрами первоначальной глобулы, глобула цилиндрической формы "рвется" на более мелкие капли разных диаметров.
Такой механизм дробления капель имеет место в тех случаях, когда причиной деформации являются вязкие напряжения, действующие по сечению капель. При турбулентном течении распад капель под действием этих напряжений происходит, когда диаметр капель меньше микромасштаба турбулентности. На каплю большего диаметра в большей мере сказывается действие пульсации потока. Капля воды в потоке нефти принимает неправильные формы и при совпадении частоты наложенной пульсации с частотой собственных колебаний рвется на более мелкие составляющие.
Ввиду большого разброса размеров капель нефтяных эмульсий (от одного до сотен мкм), а также различия режимов потока, эмульгирование происходит как под действием вязких, так и динамических сил.
Эмульгированию способствует перемешивание пластовых флюидов в рабочих органах насосных установок и присутствие газовой фазы, осуществляющей массоперенос в жидкостях. В табл. 2 представлены некоторые свойства нефти и эмульсии ряда месторождений в зависимости от способа эксплуатации скважин.
Таблица 2
Свойства нефти и эмульсии некоторых месторождений
Месторождение, площадь | Вязкость при
| Плотность при кг/м3 | Вязкость эмульсии при обводненности 60 % (t =
|
|
| ШСНУ | УЭЦН |
| ||
Арланская площадь Арланского месторождения | 33,0 | 895 | 300 | 300 |
Южно-Ягунское месторождение | 3,5 | 855 | 10 | 90 |
Повховское месторождение | 5,0 | 860 | 10 | 100 |
Ватьеганское месторождение | 8,5 | 870 | 15 | 110 |
В скважинах, оборудованных УЭЦН, эмульсеобразование происходит наиболее интенсивно. Средний поверхностно-объемный диаметр капель равен 3-8 мкм, причем какой-либо определенной зависимости размера капель от типоразмера насоса не установлено. На месторождениях вязкой нефти диаметр эмульгированных капель несколько больше. Согласно (7) формирование дисперсной структуры эмульсии в УЭЦН завершается на первых сорока ступенях насоса. В дальнейшем, по мере подъема нефти в НКТ, структура эмульсии не претерпевает существенных изменений.
С повышением вязкости и плотности нефти вязкость эмульсий образовавшихся в УЭЦН возрастает, а их стойкость увеличивается.
При добыче нефти штанговыми насосами особенно сильное эмульгирование происходит в клапанных узлах насосов и резьбовых соединениях НКТ. Эмульсия начинает формироваться при движении жидкости через насос. Средний диаметр капель водной фазы на выходе из насоса составляет около 90 мкм. В дальнейшем эмульгирование нефти протекает в НКТ за счет турбулизации потока при омывании встречных конструктивных элементов труб (например, муфт штанговых колонн).
Установлено (8), что газовая фаза способствует диспергированию водонефтяной эмульсии вследствие флотации, при которой происходит перенос одной фазы в другую. При выраженном турбулентном течении трехфазной смеси газовая фаза участвует также в массопереносе жидких фаз (9). Однако эмульгирующее действие газовой фазы незначительно по сравнению с другими факторами. К последним можно отнести дросселирование водонефтяной смеси через узкие щели.
Большая часть энергии, затрачиваемой на диспергирование эмульсии, концентрируется на межфазной поверхности в виде энергии поверхностного натяжения. Однако ожидаемое слияние капель сдерживается защитными адсорбционными слоями эмульгатора на межфазной поверхности. По той же причине затруднено дробление капель дисперсной фазы в движущемся потоке. Таким образом, при одинаковых исходной дисперсности капель и параметрах потока для разрушения эмульсии, прошедшей процесс старения, требуется затрата большей энергии, чем только что появившейся.
2. Разрушение водонефтяных эмульсий
Существуют следующие способы разрушения нефтяных эмульсий:
- гравитационное холодное разделение (отстаивание);
- фильтрация;
- разделение в поле центробежных сил (центрифугирование);
- электрическое воздействие;
- термическое воздействие;
- внутритрубная деэмульсация;
- воздействие магнитного поля.
Отстаивание применяют при высокой обводненности нефти и осуществляют путем гравитационного осаждения диспергированных капель воды. На промыслах применяют отстойники периодического и непрерывного действия разнообразных конструкций (10-21). В качестве отстойников периодического действия обычно используют сырьевые резервуары, при заполнении которых сырой нефтью происходит осаждение воды в их нижнюю часть. В отстойниках непрерывного действия отделение воды происходит при непрерывном прохождении обрабатываемой смеси через отстойник. В зависимости от конструкции и расположения распределительных устройств движение жидкости в отстойниках осуществляется в преобладающем направлении v горизонтально или вертикально.
Фильтрацию применяют для разрушения нестойких эмульсий. В качестве материала фильтров используются вещества, не смачиваемые водой, но смачиваемые нефтью. Поэтому нефть проникает через фильтр, а вода v нет.
Центрифугирование производят в центрифуге, которая представляет собой вращающийся с большой скоростью ротор. Эмульсия подается в ротор по полому валу. Под действием сил инерции эмульсия разделяется, так как вода и нефть имеют разные значения плотности.
Воздействие на эмульсии электрическим полем производят в электродегидраторах, снабженных электродами, к которым подводится высокое напряжение переменного тока промышленной частоты. Под действием электрического поля на противоположных концах капель воды появляются разноименные электрические заряды. В результате капли притягиваются, сливаются в более крупные и оседают на дно емкости.
Термическое воздействие на водонефтяные эмульсии заключается в том, что нефть, подвергаемую обезвоживанию, перед отстаиванием нагревают до температуры 45-80 0С. При нагревании уменьшается прочность слоев эмульгатора на поверхности капель, что облегчает их слияние. Кроме того, уменьшается вязкость нефти и увеличивается разница плотностей воды и нефти, что способствует быстрому разделению эмульсии. Подогрев осуществляют в резервуарах, теплообменниках и трубчатых печах.
Внутритрубную деэмульсацию проводят посредством добавления в эмульсию химического реагента-деэмульгатора. Это позволяет разрушать эмульсию в трубопроводе, что снижает ее вязкость и уменьшает гидравлические потери.
Для каждого состава нефти подбирают свой наиболее эффективный деэмульгатор, предварительно оценив результаты отделения пластовой воды в лабораторных условиях.
Любое органическое вещество, обладающее моющими свойствами, может с той или иной эффективностью использоваться в качестве деэмульгатора. Существует большое количество деэмульгирующих композиций для обезвоживания и обессоливания водонефтяных эмульсий на основе алкилбензосульфоната кальция и алкансульфоната натрия (22, 23), азотсодержащих соединений (24), оксиэтилированного алкилфенола и тримеров пропилена (25), блоксополимера окисиэтилена и пропилена, а также глутарового альдегида (26), продуктов оксиалкилирования с подвижным атомом водорода и метилдиэтилалкоксиметилом аммония метилсульфатом (27).
Высокоэффективные деэмульгаторы, применяемые на нефтепромыслах и нефтеперерабатывающих заводах для обезвоживания и обессоливания нефти, содержат смесь ПАВ различных структур и модификаций, которые, как правило, являются синергистами (28, 29).
Теории, объясняющие механизм действия деэмульгаторов, разделяют на две группы:
- физическая, предполагающая протекание физической адсорбции молекул деэмульгатора на коллоидных частицах, разрыхляющее и модифицирующее действие деэмульгаторов на межфазный слой, которое способствует вытеснению и миграции молекул (частиц) стабилизатора в ту или иную фазу (29, 30);
- химическая, основанная на предположении о преобладающей роли хемосорбции молекул деэмульгатора на компонентах защитного слоя с образованием прочных химических связей, в результате чего природные стабилизаторы нефти теряют способность эмульгировать воду (29, 31, 32).
Согласно общепринятой в настоящее время теории, разработанной под руководством академика П.А. Ребиндера (30), при введении ПАВ в нефтяную эмульсию на границе раздела "нефть - вода" протекают следующие процессы. ПАВ, обладая большей поверхностной активностью, вытесняет природные стабилизаторы с поверхности раздела фаз, адсорбируясь на коллоидных или грубодисперсных частицах природных стабилизаторов нефтяных эмульсий. Молекулы деэмульгаторов изменяют смачиваемость, что способствует переходу этих частиц с границы раздела в объем водной или нефтяной фаз. В результате происходит коалесценция.
Таким образом, процесс разрушения нефтяных эмульсий является в большей степени физическим, чем химическим и зависит от:
- компонентного состава и свойства защитных слоев природных стабилизаторов;
- типа, коллоидно-химических свойств и удельного расхода применяемого деэмульгатора;
- температуры, интенсивности и времени перемещения нефтяной эмульсии с деэмульгатором.
Технологический эффект применения деэмульгатора заключается в обеспечении быстрого и полного отделения пластовой воды при его минимальном расходе.
Как правило, подбор высокоэффективного, оптимального для конкретной водонефтяной эмульсии деэмульгатора осуществляют эмпирически (33-35). Это обусловлено тем, что в зависимости от технологии добычи и подготовки нефти, ее химического состава, физико-химических свойств и обводненности, минерализации пластовой воды, наличия в ней механических примесей и других факторов к деэмульгатору предъявляются специфические требования.
Кроме того, проблема подбора оптимального деэмульгатора возникает вследствие роста обводненности нефти и изменения состава стабилизаторов водонефтяной эмульсии. Последнее обусловлено применением химических реагентов для повышения нефтеотдачи пласта, обеспечения его гидроразрыва, а также для защиты промыслового оборудования от АСПО (28).
На нефтегазодобывающих предприятиях нашел также применение метод предотвращения образования стойких эмульсий (метод искусственного увеличения обводненности нефти (1)). Сущность метода заключается в возврате на прием насоса некоторой части добываемой воды, расслоившейся в отстойной расширительной камере или в поле центробежных сил. Избыток водной фазы, образовавшейся в насосе, приводит к переходу водонефтяной смеси из одной структуры потока в другую. Вязкость образовавшейся прямой эмульсии в десятки и сотни раз меньше вязкости обратных эмульсий. В соответствии с этим резко снижается и стойкость прямых эмульсий, что создает благоприятные условия для отделения водной фазы и возвращения некоторого ее объема на прием насоса. Подачу оборотной воды на прием насоса можно осуществить самоподливом в затрубное пространство скважины, без применения дополнительных перекачивающих органов.
Метод самоподлива предполагает потерю производительности установки за счет рециркулируемой части водной фазы. Однако многократное снижение вязкости нефти в колонне труб позволяет существенно увеличить коэффициент подачи установок, что не только компенсирует потерю, но и в ряде случаев повышает производительность насосов.
Предупреждение образования стойких эмульсий в скважинах с механизированной добычей позволяет также снижать давление в системах промыслового сбора нефти и газа и улучшать условия разрушения эмульсий в пунктах подготовки нефти.
3. Аппараты для магнитной обработки водонефтяных эмульсий типа УМП
Электромагнитные установки УМП (ТУ 39-80400-007-99) разработаны авторами при участии А.Б. Лаптева, В.И. Максимочкина, В.С. Кузнецова для обработки водонефтяных эмульсий и вод системы ППД. Разработано три типа установок, отличающиеся конструкцией индуктора и блоком управления.
Установка УМП-108-014 разработана по заданию ОАО "Белкамнефть" для обработки водонефтяной эмульсии Вятской площади Арланского месторождения. Включает индуктор, соединенный кабелем с блоком управления (рис. 1).
а) |
б) |
Рис. 1- Электромагнитная установка УМП-108-014:
а) блок управления; б) индуктор установки
Индуктор состоит из магнитопровода, изготовленного из трансформаторного железа, между полюсами которого помещена труба из нержавеющей стали. Внутри трубы размещена вставка из трансформаторного железа- магнитный сердечник. Для возбуждения магнитного поля на полюса надеты катушки из провода диаметром 1,2 мм по 400 витков.
Блок управления состоит из генератора гармонических колебаний с фиксированными частотами, усилителя мощности и батареи конденсаторов (рис. 2).
Технические характеристики УМП-108-014:
1. Установка позволяет создавать магнитное поле на 10 фиксированных частотах: 10, 20, 30, 40, 50, 60, 70, 80, 90 и 100 Гц.
2. Индуктор обеспечивает создание магнитного поля в зазоре шириной не более 110 мм.
3. Максимальное значение индукции магнитного поля в зазоре электромагнита при внутреннем сердечнике представлены в табл. 3.
4. Постоянная установки по току возбуждения: 2 мТл/мкА.
5. Погрешность частоты не превышает
1 Гц.

Рис. 2 - Схема установки УМП-108-014
Таблица 3
Максимальное значение индукции магнитного поля
| Частота, Гц | Максимальное значение индукции, Тл |
| 10 | 0,14 |
| 20 | 0,13 |
| 30 | 0,12 |
| 40 | 0,11 |
| 50 | 0,10 |
| 60 | 0,09 |
| 70 | 0,08 |
| 80 | 0,07 |
| 90 | 0,06 |
| 100 | 0,05 |
6. Максимальное значение напряжения на выходе усилителя мощности 50 В, максимально допустимый ток 7 А кратковременно.
7. Питание: 220 В, 50 Гц.
8. Температура окружающего воздуха: для блока управления -
-10 - +20 0С; для индуктора - -50 - +50 0С.
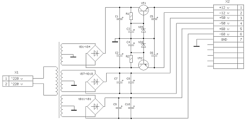
Схемотехнически установка УМП-108-014 выполнена с использованием блочной архитектуры (рис. 3).
Блоки выполнены в виде отдельных плат и соединены между собой двенадцатижильным кабелем с разъемами.

Блок питания
генератор |
усилитель |
Рис. 3- Электрическая схема установки УМП-108-014
Блок питания выполнен по трансформаторной схеме с общей точкой и вырабатывает три значения двухполярных напряжений:
12вольт стабилизированное, применяемое для питания задающего генератора;
50 и
60 вольт нестабилизированное, применяемые для питания оконечного усилителя мощности. Все три цепи питания гальванически развязаны как с питающей сетью, так и друг с другом.
Задающий генератор выполнен в виде прямого тонового генератора с дискретно регулируемой RC-цепочкой в цепи положительной обратной связи.
Для предотвращения возможного срыва генерации в цепи отрицательной обратной связи установлен управляемый значением выходного напряжения источник тока.
Блок оконечного усилителя выполнен по линейной бестрансформаторной схеме. Для увеличения выходной мощности и к.п.д. оконечного каскада,последний выполнен на полевых транзисторах высокой мощности по двухтактной двухступенчатой схеме класса А. Так как к данному блоку предъявляются не слишком высокие требования в области внесения искажений (коэффициент гармоник допустим в пределах 3-5 %), то коррекция в цепи отрицательной обратной связи ограничена введением местных ООС на каждом каскаде усиления.
Установка УМП-159-006 состоит из блока управления и соединяемого с ним внешнего индуктора с сердечником, врезаемого в трубопровод. Поток жидкости обрабатывается переменным магнитным полем, направленным поперек потока. Форма изменения напряженности магнитного поля- синусоида. Индуктор соединяется с блоком управления двухжильным кабелем (рис. 4). Индуктор состоит из магнитопровода, изготовленного из трансформаторного железа, между полюсами которого помещается труба из стеклопластика (рис. 5).
а) |
б) |
Рис. 4- Электромагнитная установка УМП-159:
а) блок управления; б) индуктор установки

1- сердечник (внутренняя часть магнитопровода), 2- труба из немагнитного материала,
3 - обмотка, 4 - торцевая часть магнитопровода, 5 - внешняя часть магнитопровода.
Рис. 5 - Конструктивные элементы индуктора:
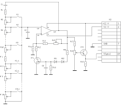
Внутри трубы помещается сердечник из трансформаторного железа. Возбуждение магнитного поля в контуре производиться обмоткой из медного провода диаметром 0,6 мм в 1200 витков. Блок управления состоит из генератора гармонических колебаний с фиксированными частотами, усилителя мощности и батареи конденсаторов, которая последовательно соединяется с индуктором (блок-схема установки УМП-159-006 на рис. 6).

1 - генератор, 2 - усилитель мощности, 3 - батарея конденсаторов, 4 - индуктор,
5- амперметр.
Рис. 6 - Блок-схема установки УМП-159-006:
Технические характеристики УМП-159-006:
1. Установка позволяет создавать магнитные поля дискретно на частотах 11, 15, 19, 23,27, 31 Гц.
2. Индуктор обеспечивает создание магнитного поля в кольцевом зазоре размером 35 мм между внутренним и внешним магнитопроводами.
3. Постоянная установки по току возбуждения: 26 мТл/А.
4. Погрешность частоты не превышает
0,5 Гц.
5. Максимальное значение напряжения на выходе усилителя мощности 65 В, максимально допустимый ток 6 А кратковременно.
6. Питание: 220 В, 50 Гц.
7. Температура окружающего воздуха для блока управления и индуктора - -10 - +30 ¦С.
Установка УМП-325-005 состоит из блока управления, расположенного в металлическом корпусе с замком и соединяемого с ним внешнего индуктора с сердечником, врезаемого в трубопровод. Поток жидкости обрабатывается переменным магнитным полем с импульсным изменением напряженности, направленным поперек потока. Индуктор соединяется с блоком управления кабелем (рис. 7).

а)

б)
Рисунок 7- Электромагнитная установка УМП-325-005:
а) блок управления; б) индуктор установки
Индуктор (схема конструкции представлена на рис. (8) состоит из центрального магнитопровода 1, на который навита обмотка 2, боковых магнитопроводов 3 и магнитопровода 4, примыкающего к внутренней стенке трубы 5.

Рис. 8- Схема конструкции индуктора магнитной установки УМП
Технические характеристики установки УМП-325-005:
| Диаметр проходного канала, мм | 100 |
Площадь перекрываемого сечения, мм2 | 7850 |
| Величина магнитной индукции, Тл | 0,1 |
| Частота изменения переменного магнитного поля, Гц | 10 - 100 |
| Дискретность регулировки частоты магнитного поля, Гц | 10 |
| Максимальная мощность установки, кВт | 0,3 |
Максимальная температура перекачиваемой жидкости, оС | 100 |
| Максимальное давление перекачиваемой жидкости, МПа | до 6,4 |
| Тип присоединения к трубопроводу | Фланцевое по ГОСТ 12821-80 |
Электромагнит индуктора расположен непосредственно в потоке обрабатываемой жидкости, и может создавать незначительные гидравлические сопротивления.
Блок управления установки предназначен для эксплуатации в закрытых помещениях с температурой от -20 до +500С. (при температуре окружающего воздуха ниже-100С необходимо закрыть вентиляционные отверстия металлического корпуса установки). Индуктор устанавливается на открытом воздухе (допускается заглубление) при температурах от-50 до +500С. (при условии, что перекачиваемая жидкость имеет температуру 10..800С). Так как индуктор имеет значительную массу, запрещается его установка в подвешенном состоянии. Токоввод на индукторе должен находиться в вертикальном положении. Токоввод залит для герметизации полимерной композицией.
При установке индуктор подключается высоковольтным бронированным кабелем РПШ-2х2,5 длиной до 100 метров к блоку управления при отключенном питании установки. Сечение каждой жилы кабеля определяется по табл. 4.
Таблица 4
Зависимость сечения кабеля от расстояния индукторvблок управления
| Расстояние от индуктора до блока управления, метров | Сечение каждой жилы кабеля, мм2 |
| 1-10 | 3 |
| 10-25 | 4 |
| 25-50 | 6 |
| 50-100 | 8 |
Установка питается от трехфазной четырехпроводной электрической сети (подключается идущим в комплекте кабелем РПШ-4х2,5). Хотя работоспособность сохраняется и при питании от однофазной сети, подобный режим работы ведет к перегреву цепей гальванической развязки и выходу установки из строя.
Техническая характеристика индуктора
Индуктор электромагнитной установки с изменяемыми параметрами должен соответствовать следующим требованиям:
1 Основные параметры и размеры
1.1 Тип- электромагнитный;
1.2 Исполнение взрывозащиты 2ExsIIaT4 по ГОСТ 12.1.020-76;
1) уровень защиты - 2 (электрооборудование повышенной надежности против взрыва);
2) вид исполнения защиты "m" (заливка компаундом);
3) категория смеси "IIa" (БЭМЗ>0,9мм);
4) группа смеси "Т3" (температура самовоспламенения 200-3000С);
1.3 Область применения - обработка потоков жидкостей.
1.4 Место установки - трубопроводы систем нефтесбора и поддержания пластового давления.
1.5 Максимальное давление перекачиваемой жидкости в трубопроводе, МПа- 1,6;
1.6 Скорость движения перекачиваемой жидкости до 1,1 м/с,
1.7 Плотность перекачиваемой жидкости до 970 кг/м3.
1.8 Вид климатического исполнения -Хл по ГОСТ15150-69.
1.9 Температура перекачиваемой жидкости - до 20
10 оС;
1.10 рН перекачиваемой жидкости- 4,0 - 9,5;
1.11 Присоединение - фланцевое;
1.12 Ориентировочные размеры в соответствии с рис. 8.
1.13 Величина магнитной индукции - максимальное - 0,1 Т;
- минимальное - 0,001 Т ;
1.14 Частота переменного магнитного поля - от 10 до 50 Гц;
1.15 Форма изменения напряженности магнитного поля- импульсная, затухающая.
1.16 Максимальная мощность установки- 2100 Вт;
1.17 Напряжение питания установки - 220 В
10 % (380
10 %)
1.18 Частота тока питания установки - 50 Гц
10 %;
1.19 Число витков намагничивающей катушки- 200.
1.20 Сечение медного провода- мин. 12 мм2.
1.21 Пиковое значение тока- 37 А.
1.22 Среднее значение тока - 2 А
4. Сравнительный анализ электромагнитных установок УМП
Разработаные электромагнитные установки УМП (ТУ 39-80400-008-99), которые отличаются различным исполнением индуктора и управляющей станции. Рассмотрим задачу анализа установок УМП по их техническим характеристикам и параметрам с использованием теории нечетких множеств. Основные технические характеристики, параметры трудоемкости и металлоемкости изготовления установок представлены в табл. 5. и 6.
Таблица 5.
Технические характеристики и параметры установок УМП
Марка УМП Параметры установок УМП | УМП-108 | УМП-159 | УМП-325 |
| 1 Условный диаметр трубы, мм | 108 | 159 | 325 |
| 2 Перекрытие проходного сечения, % | 50 | 10 | 10 |
| 3 Давление перекачиваемой жидкости, МПа | 6,4 | 1,0 | 1,0 |
| 4 Длина индуктора, мм | 700 | 1200 | 1400 |
| 5 Масса индуктора, кг | 40 | 60 | 900 |
6 Регулируемая величина магнитной индукции, Т | 0-0,13 | 0-0,10 | 0-0,06 |
| 7 Изменение режимов | Дискрет. | Дискрет. | Плавное |
| 8 Рабочая частота, Гц | 10-100 | 10-30 | 10-60 |
| 9 Форма изменения сигнала | |||
| 9.1 Синусоидальная | Есть | Есть | Есть |
| 9.2 Импульсный режим | Нет | Нет | Есть |
| 10 Наличие компенсатора | Не треб. | Необходим | Не треб. |
Таблица 6
Трудоемкость и металлоемкость изготовления установок УМП
| Параметры установок УМП | УМП-108 | УМП-159 | УМП-325 |
| 1 Трудоемкость индуктора, час | 85 | 40 | 785 |
| 2 Трудоемкость станции управления, час | 215 | 215 | 230 |
| 3 Материалоемкость индуктора, тыс. руб. | |||
| 3.1 Нержавеющая сталь | 1600 | нет | 3200 |
| 3.2 Электротехническая сталь | 200 | 200 | 32000 |
| 3.3 Конструкционная сталь | 100 | 150 | 6000 |
| 3.4 Обмотка | 100 | 300 | 6000 |
| 3.5 Антикоррозионная композиция | 50 | 600 | 2100 |
| 3.6 Полимерные материалы | нет | 300 | 2700 |
4 Материалоемкость станции управления, тыс. руб. | 4500 | 4500 | 6000 |
| 5 Приспособления, тыс. руб. | нет | 500 | 5200 |
Суммарные вероятности альтернатив
| А1(УМП-108) | А2 (УМП-159) | А3 (УМП-325) |
| 0,9300 | 1,2000 | 0,9048 |
По сравниваемым параметрам лучшей установкой является УМП-159, так как имеет наибольшую суммарную вероятность принадлежности.
5. Обоснование совместного использования деэмульгаторов с установками магнитной обработки
При испытаниях деэмульгаторов на Ватьеганском месторождении получены данные по деэмульгирующему эффекту (табл. 7).
Таблица 7
Эффективность применения деэмульгаторов
| Деэмульгатор | Без магнитной обработки | Форма изменения напряженности магнитного поля при магнитной обработке |
| ||
| треугольная | прямоугольная | синусои-дальная | импульсная |
| |
| ХПД-005 | 55,0 | 70,5 | 68,9 | 68,7 | 78,9 |
| СТХ-2 | 58,8 | 58,8 | 61,2 | 67,4 | 70,2 |
| СТХ-5 | 52,9 | 54,1 | 64,2 | 64,2 |
Подобные работы:
Актуально:
|





