Физические основы действия современных компьютеров
Московский Государственный Открытый Педагогический Университет
(физико-математический факультет)
Физические основы работы современного компьютера
(Курсовая работа)
Выполнил:
Гуревич Г.А. (4 курс заочной формы обучения)
Проверил:
Зайцев Г.О.
(Москва, 2000)
Введение 3
Двоичная система счисления и логика. 3
Схема действия компьютера. 4
Долговременная память. 4
Накопители на магнитных дисках и лентах. 4
CD и DVD-ROM. 5
Полупроводниковые устройства. 6
Биполярные транзисторы. 8
Полевые транзисторы 10
Реализация других полупроводниковых приборов в интегральных схемах. 11
Оперативная память. 12
Статическое ЗУ 14
Динамическое ОЗУ 15
Системная память: взгляд в будущее 16
Шесть технологий памяти будущего. Определения 18
Центральный процессор. 20
Новые технологии. 21
Медные соединения 23
SiGe 24
Кремний на изоляторе (silicon-on-insulator, SOI) 24
Перовскиты 25
Заключение 25
Список использованной литературы: 26
ВведениеСейчас, когда человечество входит в третье тысячелетие, для обитателей мегаполисов незаменимой вещью, фактически правой (или левой) рукой стал компьютер. Однако, очень мало кто действительно представляет себе, как работает этот «черный ящик». В данной работе мы попытаемся описать не только структурное устройство компьютера, но и продемонстрировать, благодаря каким физическим законам он действует.
Двоичная система счисления и логика.Для большинства людей не является тайной, что компьютеры работают в двоичной системе счисления. Однако, что это за система такая, и почему именно в ней - знают не все. N-ичная позиционная система счисления суть такая система, где роль «десятки» выполняет число N. В случае двоичной системы счисления роль десятки играет число 2, и в ней числа будут записываться как 0, 1, 10, 11, 100, 101, 111… и т.д. Таким образом, число 1310 (13 в привычной нам, десятичной, системе счисления) в двоичной будет записываться как 11012.
Почему же была избранна именно двоичная система счисления? Дело в том, что компьютер, как любое электрическое устройство, может оперировать либо с модулированным сигналом, либо с наличием\отсутствием сигнала. Таким образом, если бы нам захотелось заставить компьютер считать в десятичной (привычной всем нам) системе счисления, то пришлось бы решать задачу как, например, различать сигнал по напряжению. Например, сигнал в 1 вольт – это будет единица, 3 вольта – тройка и так до десяти. Однако, модулированный сигнал требует измерения. А это не очень удобно, т.к. требует дополнительного усложнения системы. Тем не менее, подобные попытки все же предпринимались, и компьютеры, измерявшие поступивший сигнал назывались аналоговыми. Таким образом, родилась идея использовать троичную систему счисления, где роль нуля, единицы и минус единицы играли отсутствие напряжения, наличие положительного напряжения и наличие отрицательного напряжения на входе в элемент. Однако, И это оказалось не совсем удобным (хотя многие первые компьютеры использовали именно эту систему).
В результате, остановились на двоичной системе, где роль единицы и нуля играло наличие и отсутствие напряжения на входе. Это оказалось еще удобно тем, что двоичная система счисления очень удобно связывается с логикой, т.к. логика оперирует понятиями истинности и ложности – чем не нуль и единица? С помощью двоичной системы счисления оказалось возможным кодировать любую информацию. Так, если одну цифру (0 или 1) считать минимальной единицей информации (ее назвали «бит), то 8 бит (23 бит) – 8 цифр 0 или 1 (называемые «байт») в виде одного числа могут принимать значение от 0000000 до 111111112 т.е. 25510. Таким образом, в один байт можно записать 256 разных значений, что вполне достаточно для представления одним байтом всех цифр десятичной системы счисления, двух алфавитов (например, латинского и греческого), набора специальных символов типа точек, тире, и т.п. и еще «место осталось».
Таким образом, оказалось очень удобно использовать в компьютерах двоичную систему счисления, а информацию мереть в битах, байтах и тысячах, миллионах, миллиардах и т.п. байт (килобайт, мегабайт, гигабайт, терабайт). Следует заметить, что килобайт – это вовсе не 1000 байт, а 1024 (210 – система-то двоичная) и т.п. Как же эти нулики и единички циркулируют в компьютере?
Схема действия компьютера.В общем и целом, компьютер состоит из устройств ввода-вывода, памяти и центрального процессора. Вполне понятно, что устройства ввода – это клавиатура, мышь, сканер, дисководы, жесткие диски, накопители на магнитной ленте, CD и DVD-ROM и т.п. Устройства вывода – монитор, принтер, плоттер, а так же снова дисководы, жесткие диски, накопители на магнитной ленте, CD и DVD-ROM и т.п. Строго говоря, поименованные накопители, которые вошли в устройства ввода и устройства вывода одновременно так же можно отнести и к разряду памяти, но не оперативной, а долговременной. Впрочем, о них позже. Память (оперативная) – это буфер для содержания непосредственно необходимых для выполнения данной задачи данных, а центральный процессор – устройство, которое собственно ведает выполнением программы и управляет остальными. Именно центральный процессор занимается счетом и решением логических задач. Легко догадаться, что любую задачу (от похода в магазин до расчета параметров аэрокосмического истребителя) можно задать как набор логических и математических параметров, увязанных логическими структурами типа «если – то – иначе). Как функционирует процессора мы рассмотрим ближе к концу данного труда, а сейчас обратимся снова к памяти.
Долговременная память.Накопители на магнитных дисках и лентах.Это самый известный нам способ хранения информации. Суть его заключается в намагничивании областей на носителе (ленте, диске) а потом считывании наличия\отсутствия намагниченности. Накопители на магнитных лентах сейчас отошли в прошлое из-за крайне невысокой скорости поиски информации, а диски используются и по сю пору крайне широко.
Бегло рассмотрим параметры современных магнитных дисков. На данный момент используются три их вида: дискеты 5.25 дюйма диаметром, дискеты 3.14 дюйма и накопители на жестких магнитных дисках, в простонародье называемых “винчестерами” (что связано с объемом первых НЖМД, численно равным калибру наиболее распространенных ружей данного производителя). Диски 5.25 дюйма имеют объем до 1.2 мегабайта, таким образом, минимальная область намагничивания (область одного бита, если можно так выразиться) имеет площадь:
3.14*(5.25*2.54*10-2)2/(4*1.2*220)≈1.16*10-8м2.
По той же формуле рассчитываем размеры единицы информации на диске 3.14 дюйма, кторые достигают объемом 1.44 мегабайта. Получаем примерно 4*10-9м2. Современные же жесткие диски имеют линейные размеры 3.14 дюйма, в одной сборке (одном «винчестере») содержится до 10 дисков, а объем его может достигать сотен терабайт. Таким образом, размеры единицы информации на них по прядку величины – до 10-14м2. Понятное дело, что накопители на жестких дисках очень чувствительны к пыли и потому содержатся в герметичных корпусах.
CD и DVD-ROM.На этих накопителях используется оптическая система записи данных. Сам диск состоит из зеркальной поверхности, на которой имеются углубления. Диск облучается лазером, и в зависимости от наличия или отсутствия, фотодиод улавливает либо не улавливает отраженный свет. Таким образом формируются единицы и нули.

Сравнительные характеристики этих накопителей:
CD | DVD | |
Диаметр диска | 120 мм. | 120 мм. |
Толщина диска | 1.2 мм | 1.2 мм |
Структура диска | Один слой | Два слоя по 0.6 мм |
Длинна волны лазера | 708 нм. | 650 и 635 нм. |
Числовая апертура | 0.45 | 0.60 |
Ширина дорожки | 1.6 мкм | 0.74 мкм |
Длинна единичного «углубления» | 0.83 мкм | 0.4 мкм |
«Слоев» данных | 1 | 1 или 2 |
Емкость | Около 680 мегабайт | При одном слое данных: 2*4.7 Gb, при двух – 2*8.5Gb |
Само собой разумеется, что размеры «углублений» должны быть сравнимы с длинной волны лазера, чтобы в достаточной мере проявлялись корпускулярные свойства его света, а волновые себя практически не проявляли. Впрочем, это и следует из таблицы.
Полупроводниковые устройства.Для начала рассмотрим принцип действия полупроводниковых приборов. Поскольку для компьютера наиболее важными является транзисторы, именно ими мы рассмотрение полупроводниковых устройств и ограничим.
Полупроводниками называют группу элементов и их соединений, у которых удельное сопротивление занимает промежуточное место между проводниками и диэлектриками. Исходным материалом для изготовления полупроводниковых приборов являются элементы четвертой группы периодической системы Менделеева (кремний, германия и т.п.), а так же их соединения. Все они являются кристаллическими веществами при нормальных условиях.
При повышении температуры или при облучении полупроводника лучистой энергией, часть валентных электронов, получив необходимую энергию, уходят из ковалентных связей, при этом они становятся носителями электрических зарядов. Одновременно, при разрыве ковалентных связей, образуются и «дырки» – незаполненные ковалентные связи. В химически чистых полупроводниках, как легко догадаться, количество свободных электронов равняется количеству дырок. Таким образом, полупроводник не теряет электрической нейтральности, т.к. кол-во дырок и кол-во свободных электронов в ем равны. В электрическом и магнитных полях дырка ведет себя как частица с положительным зарядом, равным заряду электрона.
Дырка (незаполненная ковалентная связь) может быть заполнена электроном, покинувшим соседнюю ковалентную связь. Одна ковалентная связь разрывается, другая – восстанавливается. Таким образом получается впечатление, что дырка перемещается по кристаллу. Разрыв ковалентных связей, в результате которого образуются свободный электрон и дырка называется генерацией, а восстановление ковалентной связи – рекомбинацией. Рекомбинация сопровождается выделением некоторого кол-ва энергии, а рекомбинация – поглощением.
При отсутствии электрического поля свободные электроны и дырки совершают хаотические тепловые перемещения по кристаллу, что, соответственно, не сопровождается появлением тока. При наличие же внешнего электрического поля перемещение свободных электронов и дырок упорядочивается, и в результате через полупроводник начинает течь ток. Проводимость, обусловленная движением свободных электронов, называется электронной (n-тип от “negative” – отрицательный), а дырок – соответственно дырочной (p-тип от “positive” – положительный).
Основным для чистых полупроводников является n-тип, т.к. электроны имеют большую подвижность. Если же внести в полупроводник атомы с более низкой валентностью (т.н. акцепторы), чем сам полупроводник, то он приобретет p-тип, т.к. низковалентные атомы охотно поглотят свободные электроны.
Область, где полупроводник с электронным типом проводимости стыкуется с полупроводником с дырочным типом проводимости называется p-n переходом.
Рассмотрим физические процессы, проходящие в монокристалле с разными типами проводимости.
В n-области концентрация электронов больше, чем в p-области и наоборот – для дырок.
Под действием градиента концентрации возникает диффузия основных носителей заряда. Электроны диффундируют в p-область, а дырки – в n-область. Возникают области с избыточными концентрациями неподвижных зарядов неосновного носителя для данного типа полупроводника. Таким образом возникает внутренне диффузионное поле Езап p-n перехода, и устанавливается контактная разность потенциалов между двумя типам полупроводника, которая зависит от материала, примеси и степени ее концентрации.
Под действием внутреннего диффузионного поля основные носители оттесняются от границы полупроводников, таким образом, на границе образуется тонкий слой, практически лишенный основных носителей заряда, обладающий высоким сопротивлением. Этот слой называется запирающим.
Неосновные носители свободно проходят через внутренне поле p-n перехода, т.к. оно для них является разгоняющим, и производят ток проводимости (дрейфа). Основные носителя, преодолевая диффузионное поле, создают диффузионный ток. При отсутствии внешнего поля диффузионный ток и ток дрейфа равны. Такое состояние называется равновесным.
Если к p-n переходу приложить внешнее прямое напряжение (положительный полюс подсоединен к p-области, отрицательный – к n. Внешнее электрическое поле этого источника противоположно внутреннему диффузному полю. Напряженность поля перехода падает, ширина запирающего слоя уменьшается, а вместе с ней – и высота потенциального барьера. Из-за уменьшение высоты потенциального барьера возрастает диффузионный ток, а токи дрейфа уменьшаются. В результате образуется результирующий т.н. прямой ток Iпр, текущий в направлении от p к n-области.
Если же приложит напряжение обратной направленности (т.н. обратное включение), то напряженность внутреннего поля p-n перехода возрастает, диффузионные токи уменьшаются практически до нуля (растет потенциальный барьер). Ток же дрейфа практически не меняет своего значения. Возникает обратный ток – Iобр, который пропорционален количеству неосновых носителей в полупроводнике и много меньше (примерно на 6 порядков) прямого тока. Таким образом, можно считать, что полупроводник с p-n переходом имеет одностороннюю проводимость.
При работе в p-n переходе может наблюдаться его пробой при обратном напряжении, т.к. при росте обратного напряжения растет напряженность внутреннего поля перехода, ведущий к росту подвижности носителей, формирующих обратный ток. При их достаточной скорости из-за разрыва ковалентных связей образуются добавочные электроны и дырки, которые, в свою очередь могут при соударениях могут создавать новые и новые носители. Этот процесс называется лавинным размножением и ведет к быстрому нарастанию обратного тока. Данный процесс обратим, пока он не перешел в тепловой. Наличие объемных зарядов и электрического поля в обедненном слое придает p-n переходу свойства электрической емкости ( т.н. барьерная емкость p-n перехода). Она зависит от площади перехода и подаваемого к нему напряжения.
(удельная электрическая проницаемость на площадь p-n перехода, деленная на четыре пи на ширину запорного слоя.
Физические характеристики, такие как ток пробоя, допустимые температуры работы, допустимая мощность рассеяния, мощность прибора и т.п. зависят от материала и и способа исполнения прибора.
Биполярные транзисторы.Биполярный транзистор – монокристалл полупроводника, в котором созданы три области с чередующимися типами проводимости (p-n-p или n-p-n). Среднюю область называют базой, а крайние – коллектором и эмиттером. Переход между эмиттером и базой – эмиттерный переход, между базой и коллектором – коллекторный.
Назначение эмиттерного перехода – впрыскивание (инжекция) основных носителей эмиттера в базовую область.
Инжекция эмиттерного перезода оценивается через коэффициент инжекции:
(отношение эмиттерного тока, обусловленного носителями эмиттера к общему току эмиттера, созданному как основными носителями эмиттера, так и основными носителями базы). Для повышения эффективности эмиттера и уменьшения составляющей тока основных носителей базы область эмиттера делают с большей концентрацией основных носителей, нежели область базы.
Для базы инжектированные эмиттером носителями являются неосновными. При прямо смещении эмиттерного перехода вблизи него в базе возникает значительный рост неосновных носителей. Создается диффузионный поток от эмиттерного перехода к коллекторному (где их наоборот – недостаток). Под действием ускоряющего поля неосновные носители базы втягиваются в область коллектора, что создает управляемый коллекторный ток Iку в его цепи.
Коэффициент переноса показывает какая часть инжектированных эмиттером носителей достигает коллекторного перехода (т.к. естественно, достигают не все). Этот коэффициент определяется как отношение управляемого коллектором тока к току эмиттера, созданного основными носителями.
Также важным параметром является коэффициент передачи тока эмиттера (приращение тока коллектора к приращению тока эмиттера при неизменно напряжении на коллекторном переходе).
Этот коэффициент мало отличается от единицы (от 0.95 до 0.99). Но кроме коллекторного тока, созданного инжекцией, в коллекторной цепи течет еще и небольшой по величине обратный ток коллекторного перехода Iкбо, обусловленный неосновными носителями коллектора и базы. При изменении окружающей температуры обратный ток нарушает стабильность работы транзистора., т.к. Iк = Iку + Iкбо.
Можно также упомянуть, что каждый транзистор обладает рядом параметров. Часть из них можно назвать параметрами транзисторов при малых токах, а остальные – физическими параметрами транзистора.
Рассмотрим для начала параметры при малых токах. При малых токах транзистор можно рассматривать как линейный активный четырехполюсник, описываемый следующими уравнениями:
U1=h11I1+h12U2
I2=h21I1+h22U2
Где h11 – входное сопротивление при коротком замыкании на выходе
h12 – коэффициент обратной передачи при холостом ходе на входе
h21 – коэффициент усиления по току при коротком замыкании на выходе
h22 – выходная проводимость при холостом ходе на входе.
К физическим параметрам транзисторов относятся: rэ – сопротивление эмиттерного перехода с учетом объемного сопротивления эмиттерной области (обычно – несколько десятков Ом); rк – сопротивление коллекторного перехода (от нескольких сотен килоом до мегаома); rб – объемно сопротивление базы (несколько сот Ом).
Также любой транзистор обладает т.н. предельным характеристиками: предельной температурой переходов (для кремниевых транзисторов до 200 градусов по Цельсию, для германиевых – до 100) и максимальная мощность, рассеиваемая транзистором:

где Tокр – температура окружающей среды, RTокр – тепловое сопротивление, Tnmax – предельная температура переходов.
От температуры зависят и другие характеристики транзисторов, как то, например, при повышении температуры на 10 градусов ток Iкбо возрастает в 2 раза, что нарушает режим работы транзистора в сторону больших токов. Поэтому в промышленности применяются транзисторы из более термостойких материалов (кремниевые) и различные методы охлаждения схемы.
Однако, биполярные транзисторы обладают весьма небольшим входным сопротивлением и высокой инерционностью. Поэтому в компьютерах используются в основном полевые транзисторы, которые (к тому же) гораздо легче поддаются миниатюризации. Биполярные транзисторы дают большее быстродействие.
Полевые транзисторыПолевые транзисторы бывают двух типов – канальные и с изолированным затвором. Последние и применяются в компьютерах, их мы и рассмотрим.

(здесь и далее серым цветом обозначается окисел кремния SiO2).
Металлический электрод затвора изолирован от канала тонким слоем диэлектрика (двуокисью кремния SiO2). Концентрация примеси в областях стока и истока значительно больше, чем в канале. Основанием для транзистора служит полупроводник p-типа. Исток, сток и затвор имеют металлические выводы, с помощью которых транзистор и подключается к схеме. Такой транзистор также называется МОП-транзистором (металл-окисел-полупроводник).
МОП-транзисторы характеризуются следующими статическими параметрами режима насыщения:
при Uc=const,
где S – крутизна характеристик, ΔIc – изменение тока стока, ΔUзи – изменение напряжения на затворе при постоянном напряжении на стоке.
при Uзи=const,
где Ri – внутренне сопротивление, ΔUc – изменение напряжения на стоке, ΔIc – изменение тока стока при постоянном напряжении на затворе.
при Iс=const,
где μ – коэффициент усиления, показывающий, во сколько раз сильнее влияет на ток стока изменение напряжения на затворе, чем изменение напряжения на стоке.
Uзи отс – обратное напряжение на затворе (напряжение отсечки), при котором токопроводящий канал оказывается перекрытым.
Входное напряжение между затвором и истоком определяется при максимально допустимом напряжении между этими электродами.
На высоких частотах также очень важными являются междуэлектродные емкости: входная, проходная и выходная.
К важнейшим достоинствам полевых транзисторов относятся:
- Высокое входное сопротивление (до 1015 Ом).
- Малый уровень собственных шумов
- Высокая устойчивость против температурных и радиоактивных воздействий
- Высокая плотность элементов при использовании в интегральных схемах
- Низкая инерционность.

Конденсатор (используется барьерная емкость обратно включенного p-n перехода)

Резистор (базовые – высокоомные, эмиттерные – низкоомные. В качестве переменного резистора можно использовать униполярый транзистор).
Индуктивности обычно не используются, т.к. схемы проектируют так, чтобы избежать их использования, однако, если все же возникает необходимость введения в схему отдельной индуктивности, на поверхность окисла кремния металлической спирали.

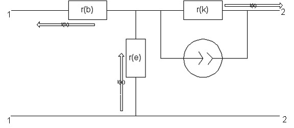
Диоды b и e – на основе коллекторного перехода имеют наибольшее обратное напряжение. На основе эмиттерного перехода (a, d) – имеют наибольшее быстродействие и наименьший обратный ток. На основе параллельного включения переходов (с) – наименьшее быстродействие и наибольший прямой ток..
Таким образом, с помощью транзисторов в микросхемах исполняются практически все необходимые радиоэлементы. Далее мы рассмотрим, где и как они применяются.
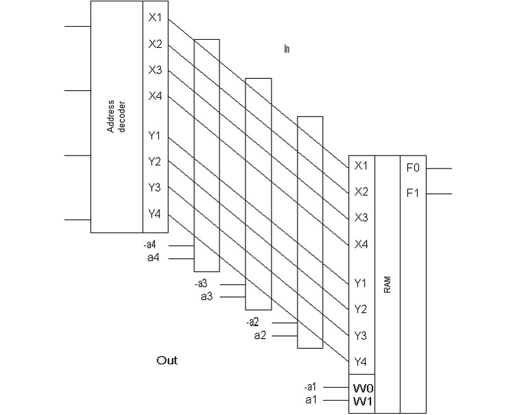
Оперативная память.Оперативная память является полупроводниковым устройством, и выполнена в виде матрицы. Как легко догадаться, полупроводниковые запоминающие устройства, в отличие от вышеописанных – энергозависимы, т.е. нуждаются в постоянной подпитке энергией или обновлении. В самом примитивном подходе элемент памяти состоит из триггера (статическая память) или конденсатора (динамическая). Соответственно, элемент памяти хранит только один бит информации. Расположены они, как уже упоминалось, в виде матрицы, на пересечении строк и столбцов. Для обращения к нужному элементу памяти необходимо возбудить адресные шины (выходы) нужных строки и столбца, на пересечении которых находится необходимый элемент. На всех других адресных шинах должен быть сигнал нулевого уровня. Такая схема адресации называется двухкоординатной. Сигналы выборки формируются внешним либо внутренним дешифратором кода адреса.
Как было уже сказано, в элемент памяти записывается (или считывается с него) 0 или 1. Запись и считывание производится по информационным (разрядным) шинам, которые соединены с усилителями записи и считывания, которые в свою очередь, формируют сигналы с требуемыми параметрами. Поскольку для считывания и записи используется одни и те же разрядные шины, соединенные со всеми элементами памяти, то операции считывания и записи на каждый элемент памяти разделены по времени как между собой, так и между считыванием и записью в другие элементы памяти данной микросхемы.
Схема устройства статического ОЗУ
Для хранения четырехразрядного числа необходимо иметь 4 матрицы накопителя (понятное дело, что обычно используются восьмиразрядные числа, но описание его хранения слишком сложно для восприятия, хотя от четырехразрядного варианта отличается только лишь количеством элементов). Адресные входы матриц-накопителей соединяются параллельно и подключаются к дешифратору.
Схем включения блоков памяти
Так как матрица-накопитель одной рассматриваемой микросхемы содержит 16 элементов памяти, то при параллельном включении четырех таких микросхем получается запоминающее устройство, которое может одновременно хранить 16 четырехразрядных чисел (заметим в скобках, что современные устройства памяти оперируют 64-разрядными числами). Для адресации этих чисел необходимо иметь 16 различных адресных сигналов, что можно получить при четырехэлементном коде адреса. Например, при коде адреса 0000 сигналы единичного уровня появятся на шинах с номерами 1, которые на всех схемах выбирают элемента памяти с адресом 1.1. Таким образом, в первой схеме запишется 1й разряд числа, во второй – второй и т.д. Часть запоминающего устройства, предназначенная для хранения многоразрядного числа, называется ячейкой памяти.
Статическое ЗУКак уже отмечалось, в статическом ЗУ роль элемента памяти выполняет триггер. Возьмем матрицу из 16*16=256 элементов, т.е. организация накопителя будет 256*1 бит. Для обращения к такому ОЗУ необходимо подвести к нему сигнал,. разрешающий работу (ВМС – выборка микросхемы), к информационным входу и выходу, и восьмиразрядный код адреса к адресным входа дешифраторов.
Дешифратор управляет ключами выборки строк и столбцов, которые, в свою очередь вырабатывают сигналы, соединяющий выбранный элемент памяти и шину ввода-вывода. Сигналом запись-считывание (ЗС) устанавливается режим работы микросхемы.
При поступлении единичного уровня сигналов ЗС и ВМС открывается схема ввода информации. Через шину ввода-вывода и открытый ключ выборки столбца информация через вход поступает на выбранный элемент памяти.
При нулевом сигнале ЗС и сигнале ВМС открывается схема вывода информации на выход. При отсутствии сигналов ЗС и ВМС выход микросхемы отключается от внешней шины.
Схема работы статической памяти.
Динамическому ОЗУ нужна периодическая перезапись (регенерация) информации для ее хранения. Возьмем, например схему с емкостью 4096*1 бит с матрицей 64*64=4096 элементов памяти. В ней необходимо иметь 64 усилителя считывания, и два шестиразрядных регистра для хранения кода адреса, дешифраторы строк столбцов с 64 выходами каждый, устройство ввода-вывода и устройство управления и синхронизации, которое будет формировать управляющие сигналы. Элементом память в данном случае будет конденсатор, который с помощью ключевой схемы на транзисторе будет подключаться к разрядной шине. При совпадении выходного сигнала дешифратора столбца и управляющего сигнала F3 открываются ключи выборки столбцов, шины ввода-вывода соединяются с выбранной разрядной шиной – производится считывание или запись информации.
Микросхема управляется четырьмя сигналами: кодом адреса, тактовым сигналом, выборки микросхемы и записи-считывания.
Сигналы адреса (выборка элементов памяти_ поступают на регистры строк и столбцов для выбора элемента памяти. Обращение к матрице по адресным входам разрешается тактовым сигналом. Код адреса после записи в регистрах дешифруется. Одновременно запускаются формирователи F1 и через него - F2, управляющие выбором строки. Также от F1 селектором строк разрядные шины подключается к конденсаторам опорных элементов. Из-за того, что собственная емкость шин больше, чем емкость запоминающего конденсатора, разность потенциалов между ними при их подключении друг к другу будет незначительна. Поэтому необходим весьма чувствительный усилитель считывания.
Сигнал F2 включает усилитель считывания и происходит регенерация информации во всех элементах памяти выбранной строки.
По сигналу ВМС запускается формирователь F3 и через него F4, которые коммутируют цеп вывода информации и шины ввода-вывода с разрядной шиной через транзисторные ключи. Информация считывается. С окончанием тактового сигнала все узлы микросхемы возвращаются в исходное состояние.
Поскольку динамической памяти необходима регенерация, число циклов которой будет равно число строк в матрице. Этот цикл идет когда нет разрешающего сигнала ВМС. Для этого цикла необходимы счетчик, коммутатор, триггер и генератор регенерации, синхронизированный тактовым сигналом.
Системная память: взгляд в будущееДо 2000 года в мир персональных компьютеров войдет несколько новых архитектур высокоскоростной памяти. В настоящее время, с конца 1997 года по начало 1998 основная память PC осуществляет эволюцию от EDO RAM к SDRAM - синхронную память, которая, как ожидается будет доминировать на рынке с конца 1997 года. Графические и мультимедийные системы в которых сегодня применяется RDRAM перейдет к концу года на Concurent (конкурентную) RDRAM. Итак, в период между 1997 и 2000 годом будут развиваться пять основных технологий:
SDRAM II (DDR);
SLDRAM (SyncLink);
RAMBus (RDRAM);
Concurent RAMBus;
Direct RAMBus.
График, приведенный ниже, приближенно демонстрирует время появления и
применения будущих технологий памяти.

Крайне сложно предсказать, на чем остановится прогресс. Все десять крупнейших производителей памяти, такие как Samsung, Toshiba и Hitachi, разрабатывающие Direct RDRAM, также продолжают развивать агрессивную политику, направленную на развитие альтернативных технологий памяти следующих поколений, таких как DDR и SLDRAM. В связи с этим образовалось любопытное объединение конкурентов. Тем не менее, несмотря на некоторую неизвестность, попытаемся дать общий обзор и объяснение того, что и где будет применяться в ближайшее время.
В первой части материала описываются причины, которые заставляют переходить к новым технологиям памяти. Во второй части статьи приводится описание шести основных технологий, их сходства и различия. Необходимость увеличения производительности системы памяти.
Быстрое развитие аппаратных средств и программного обеспечения привело к тому, что вопрос эффективности встает на первое место. Фактически, несколько лет назад, Гордон Мур, президент корпорации Intel, предсказал, что мощность центрального процессора в персональном компьютере будет удваиваться каждые 18 месяцев (Закон Мура). Мур оказался прав. С 1980 года до настоящего момента тактовая частота процессора Intel, установленного в персональном компьютере возрасла в 60 раз (с 5 до 300MHz). Однако, за то же время, частота, на которой работает системная память со страничной организацией (FPM), возрасла всего в пять раз. Даже применение EDO RAM и SDRAM увеличило производительность системы памяти всего в десять раз. Таким образом, между производительностью памяти и процессора образовался разрыв. В то время как процессоры совершенствовались в архитектуре, производство памяти претерпевало лишь технологические изменения. Емкость одной микросхемы DRAM увеличилась с 1Мбит до 64Мбит. Это позволило наращивать объем применяемой в компьютерах памяти, но изменения технологии в плане увеличения производительности DRAM не произошло. Короче говоря, скорость передачи не увеличилась вслед за объемом.
Что касается потребностей, то в следствии применения нового программного обеспечения и средств мультимедиа, потребность в быстродействующей памяти нарастала. С увеличением частоты процессора, и дополнительным использованием средств мультимедиа новым программным обеспечением, не далек тот день, когда для нормальной работы PC будут необходимы гигабайты памяти. На этот процесс также должно повлиять внедрение и развитие современных операционных систем, например Windows NT.
Чтобы преодолеть возникший разрыв, производители аппаратных средств использовали различные методы. SRAM (Static RAM) применялся в кэше для увеличения скорости выполнения некоторых программ обработки данных. Однако для мультимедиа и графики его явно недостаточно. Кроме того, расширилась шина, по которой осуществляется обмен данными между процессором и DRAM. Однако теперь эти методы не справляются с нарастающими потребностями в скорости. Теперь на первое место выходит необходимость синхронизации процессора с памятью, однако, существующая технология не позволяет осуществить этот процесс.
Следовательно, возникает необходимость в новых технологиях памяти, которые смогут преодолеть возникший разрыв. Кроме SDRAM, это DDR, SLDRAM, RDRAM, Concurrent RDRAM, и Direct RDRAM.
Шесть технологий памяти будущего. ОпределенияSDRAM
Synchronous (синхронная) DRAM синхронизирована с системным таймером, управляющим центральным процессором. Часы, управляющие микропроцессором, также управляют работой SDRAM, уменьшая временные задержки в процессе циклов ожидания и ускоряя поиск данных. Эта синхронизация позволяет также контроллеру памяти точно знать время готовности данных. Таким образом, скорость доступа увеличивается благодаря тому, что данные доступны во время каждого такта таймера, в то время как у EDO RAM данные бывают доступны один раз за два такта, а у FPM - один раз за три такта. Технология SDRAM позволяет использовать множественные банки памяти, функционирующие одновременно, дополнительно к адресации целыми блоками. SDRAM уже нашла широкое применение в действующих системах.
SDRAM II (DDR)
Synchronous DRAM II, или DDR (Double Data Rate - удвоенная скорость передачи данных) - следующее поколение существующей SDRAM. DDR основана на тех же самых принципах, что и SDRAM, однако включает некоторые усовершенствования, позволяющие еще увеличить быстродействие. Основные отличия от стандартного SDRAM: во-первых, используется более "продвинутая" синхронизация, отсутствующая в SDRAM; а во-вторых, DDR использует DLL (delay-locked loop - цикл с фиксированной задержкой) для выдачи сигнала DataStrobe, означающего доступность данных на выходных контактах. Используя один сигнал DataStrobe на каждые 16 выводов, контроллер может осуществлять доступ к данным более точно и синхронизировать входящие данные, поступающие из разных модулей, находящихся в одном банке. DDR фактически увеличивает скорость доступа вдвое, по сравнению с SDRAM, используя при этом ту же частоту. В результате, DDR позволяет читать данные по восходящему и падающему уровню таймера, выполняя два доступа за время одного обращения стандартной SDRAM. Дополнительно, DDR может работать на большей частоте благодаря замене сигналов TTL/LVTTL на SSTL3. DDR начала производиться в 1998 году.
SLDRAM (SyncLink)
SLDRAM, продукт DRAM-консорциума, является ближайшим конкурентом Rambus. Этот консорциум объединяет двенадцать производителей DRAM. SLDRAM продолжает дальнейшее развитие технологии SDRAM, расширяя четырехбанковую архитектуру модуля до шестнадцати банков. Кроме того, добавляется новый интерфейс и управляющая логика, позволяя использовать пакетный протокол для адресации ячеек памяти. SLDRAM передает данные так же как и RDRAM, по каждому такту системного таймера. SLDRAM начала производиться в 1999 году.
RDRAM
RDRAM - многофункциональный протокол обмена данными между микросхемами, позволяющий передачу данных по упрощенной шине, работающей на высокой частоте. RDRAM представляет собой интегрированную на системном уровне технологию. Ключевыми элементами RDRAM являются:
модули DRAM, базирующиеся на Rambus;
ячейки Rambus ASIC (RACs);
схема соединения чипов, называемая Rambus Channel.
RamBus, впервые использованный в графических рабочих станциях в 1995 году, использует уникальную технологию RSL (Rambus Signal Logic - сигнальная логика Rambus), позволяющую использование частот передачи данных до 600MHz на обычных системах и материнских платах. Существует два вида Rambus - RDRAM и Concurrent RDRAM. Микросхемы RDRAM уже производятся, а Concurrent RDRAM будет запущена в производство в конце 1997 года. Третий вид RDRAM - Direct RDRAM, находится в стадии разработки, а его начало ее производства планируется в 1999 году.
Rambus использует низковольтовые сигналы и обеспечивает передачу данных по обоим уровням сигнала системного таймера. RDRAM использует 8-битовый интерфейс, в то время как EDO RAM и SDRAM используют 4-, 8- и 16-битовый интерфейс. RAMBUS запатентована 11 крупнейшими производителями DRAM, обеспечивающими 85% всего рынка памяти. Samsung в настоящее время проектирует 16/18-Mбитную и 64-Mбитную RDRAM. Toshiba же уже производит 16/18-Mбитную RDRAM и разрабатывает 64-Mбитную RDRAM.
В 1996 году консорциум RDRAM получил поддержку со стороны корпорации Intel, и новые чипсеты фирмы Intel будут поддерживать технологию RDRAM с 1999 года. В настоящее время игровые видеоприставки Nintendo 64 используют технологию Rambus для 3D-графики и звука высокого качества. Стандартные PC производства Gateway и Micron поддерживают карты фирмы Creative Labs c Rambus на борту.
Concurrent Rambus
Concurrent Rambus использует улучшенный протокол, показывающий хорошее быстродействие даже на маленьких, случайно расположенных блоках данных. Concurrent Rambus применяется для 16/18/64/72-Mбитных модулей RDRAM. Это второе поколение RDRAM, отличается высокой эффективностью, необходимой для графических и мультимедийных приложений. По сравнению с RDRAM, применен новый синхронный параллельный протокол для чередующихся или перекрывающихся данных. Эта технология позволяет передавать данные со скоростью 600Мб/сек на канал и с частотой до 600MHz с синхронным параллельным протоколом, который еще повышает эффективность на 80%. Кроме того эта технология позволяет сохранить совместимость с RDRAM прошлого поколения. Планируется, что в 1998 году, благодаря дополнительным улучшениям, скорость передачи может достигнуть 800MHz.
Direct Rambus
Технология Direct Rambus - еще одно расширение RDRAM. Direct RDRAM имеют те же уровни сигналов (RSL: Rambus Signaling Level - уровень сигналов Rambus), но более широкую шину (16 бит), более высокие частоты (выше 800MHz) и улучшенный протокол (эффективность выше на 90%). Однобанковый модуль RDRAM будет обеспечивать скорость передачи 1.6Гбайт/сек, двухбанковый - 3.2Гбайт/сек. Direcr Rambus использует два 8-битных канала для передачи 1.6Гбайт и 3 канала для получения 2.4Гбайт.
SDRAM | DDR SDRAM | SLDRAM | RDRAM | Concurrent RDRAM | Direct RDRAM | |
Скоость передачи данных | 125 Mb/sec | 200 Mb/sec | 400 Mb/sec | 600 Mb/sec | 600 Mb/sec | 1.6Gb/sec |
MHz | 125 | 200 | 400 | 600 | 600 | 800 |
Стандарт | JEDEC | JEDEC | SLDRAM Consotium | RAMBUS | RAMBUS | RAMBUS |
Время появления | 1997 | 1998 | 1999 | 1995 | 1997 | 19999 |
Питание | 3.3В | 3.3.В | 2.5 | 3.3В | 3.3В | 2.5В |
Также перспективными (из более далекого будущего) кажутся модули памяти, в которых роль конденсатора (элемента памяти) будет играть колечко из сверхпроводника.
Центральный процессор.Современные центральные процессоры работают на тактовых частотах до 1гигагерца и со скоростью в миллиарды операций в секунду. Перед тем, как осветить последние технологические новшества в области производства процессоров, приведем несколько схем, на основе которых процессоры и собираются.
Дело в том, что суть центрального процессора – это счет и логические действия. Как легко догадаться, аппарат счета в двоичной системе счисления является достаточно простой комбинацией логических схем «И», «ИЛИ» и «НЕ».

В последние годы к стадии возможности использования в коммерческом производстве подошел целый ряд технологий, позволяющих заметно увеличить скорость работы транзисторов, либо столько же заметно уменьшить размер чипа без перехода на более тонкий технологический процесс. Некоторые из этих технологий уже начали применяться в течение последних месяцев, их названия упоминаются в новостях, относящихся к компьютерам, все чаще.


Первая интегральная схема, где соединения между транзисторами сделаны прямо на подложке, была сделана более 40 лет назад. За это время технология их производства претерпела ряд больших и малых улучшений, пройдя от первой схемы Джека Килби до сегодняшних центральных процессоров, состоящих из десятков миллионов транзисторов, хотя для серверных процессоров впору уже говорить о сотнях миллионов.
Здесь пойдет речь о некоторых последних технологиях в этой области, таких, как медные проводники в чипах, SiGe, SOI, перовскиты. Но сначала необходимо в общих чертах затронуть традиционный процесс производства чипов из кремниевых пластин. Нет необходимости описывать процесс превращения песка в пластины, поскольку все эти технологии не имеют к столь базовым шагам никакого отношения, поэтому начнем с того, что мы уже имеем кремниевую пластину, диаметр которой на большинстве сегодняшних фабрик, использующих современные технологии, составляет 20 см. Ближайшим шагом на ее превращении в чипы становится процесс окисления ее поверхности, покрытия ее пленкой окислов - SiO2, являющейся прекрасным изолятором и защитой поверхности пластины при литографии.
Дальше на пластину наносится еще один защитный слой, на этот раз - светочувствительный, и происходит одна из ключевых операций - удаление в определенных местах ненужных участков его и пленки окислов с поверхности пластины, до обнажения чистого кремния, с помощью фотолитографии.
На первом этапе пластину с нанесённой на её поверхность плёнкой светочувствительного слоя помещают в установку экспонирования, которая по сути работает как фотоувеличитель. В качестве негатива здесь используется прецизионная маска - квадратная пластина кварцевого стекла покрытая плёнкой хрома там, где требуется. Хромированные и открытые участки образуют изображение одного слоя одного чипа в масштабе 1:5. По специальным знакам, заранее сформированным на поверхности пластины, установка автоматически выравнивает пластину, настраивает фокус и засвечивает светочувствительный слой через маску и систему линз с уменьшением так, что на пластине получается изображение кристалла в масштабе 1:1. Затем пластина сдвигается, экспонируется следующий кристалл и так далее, пока не обработаются все чипы на пластине. Сама маска тоже формируется фотохимическим способом, только засвечивание светочувствительного слоя при формировании маски происходит по программе электронным лучом примерно также, как в телевизионном кинескопе.
В результате засвечивания химический состав тех участков светочувствительного слоя, которые попали под прозрачные области фотомаски, меняется. Что дает возможность удалить их с помощью соответствующих химикатов или других методов, вроде плазмы или рентгеновских лучей.
После чего аналогичной процедуре (уже с использованием других веществ, разумеется) подвергается и слой окислов на поверхности пластины. И снова, опять же, уже новыми химикатами, снимается светочувствительный слой:
Потом накладывается следующая маска, уже с другим шаблоном, потом еще одна, еще, и еще... Именно этот этап производства чипа является критическим в плане ошибок: любая пылинка или микроскопический сдвиг в сторону при наложении очередной маски, и чип уже может отправиться на свалку. После того, как сформирована структура чипа, пришло время для изменения атомной структуры кремния в необходимых участках путем добавления различных примесей. Это требуется для того, чтобы получить области кремния с различными электрическими свойствами - p-типа и n-типа, то есть, как раз то, что требуется для создания транзистора. Для формирования p-областей используются бор, галлий, алюминий, для создания n-областей - сурьма, мышьяк, фосфор.
Поверхность пластины тщательно очищается, чтобы вместе с примесями в кремний не попали лишние вещества, после чего она попадает в камеру для высокотемпературной обработки и на нее, в том или ином агрегатном состоянии, с использованием ионизации или без, наносится небольшое количество требуемых примесей. После чего, при температуре порядка от 700 до 1400 градусов, происходит процесс диффузии, проникновения требуемых элементов в кремний на его открытых в процессе литографии участках. В результате на поверхности пластины получаются участки с нужными свойствами. И в конце этого этапа на их поверхность наносится все та же защитная пленка из окисла кремния, толщиной порядка одного микрона.
Все. Осталось только проложить по поверхности чипа металлические соединения (сегодня для этой роли обычно используется алюминий, а соединения сегодня обычно расположены в 6 слоев), и дело сделано. В общих чертах, так в результате и получается, к примеру, классический МОП транзистор: при наличии напряжения на затворе начинается перемещение электронов между измененными областями кремния.
Теперь, слегка пробежавшись по классическому процессу создания сегодняшних чипов, можно более уверенно перейти к обзору технологий, которые предполагают внести определенные коррективы в эту картину.
Медные соединения
Первая из них, уже начавшая широко внедряться в коммерческое производство - это замена на последнем этапе алюминия на медь. Медь является лучшим проводником, чем алюминий (удельное
сопротивление 0,0175 против 0,028 ом*мм2/м), что, в полном соответствии с законами физики, позволяет уменьшить сечение межкомпонентных соединений. Вполне своевременно, учитывая постоянное движение индустрии в сторону уменьшения размеров транзисторов и увеличения плотности их размещения на чипе, когда использование алюминия начинает становиться невозможным. Индустрия начала сталкиваться с этой проблемой уже в первой половине 90-х. Вдобавок, что толку в ускорении самих транзисторов, если соединения между ними будут съедать весь прирост скорости?
Проблемой при переходе на медь являлось то, что алюминий куда лучше образует контакт с кремнием. Однако после не одного десятка лет исследований, ученым удалось найти принцип создания сверхтонкой разделительной области между кремниевой подложкой и медными проводниками, предотвращающей диффузию этих двух материалов.
По данным IBM, применение в технологическом процессе меди вместо алюминия, позволяет добиться снижения себестоимости примерно на 20-30 процентов за счет снижения площади чипа. Их технология CMOS 7S, использующая медные соединения, позволяет создавать чипы, содержащие до 150-200 миллионов транзисторов. И, наконец, просто увеличение производительности чипа (до 40 процентов) за счет меньшего сопротивления проводников.
IBM начала предлагать клиентам эту технологию в начале 98 года, в конце этого года своим заказчикам предложили использовать медь при производстве их чипов TSMC и UMC, AMD начинает выпуск медных Athlon в начале 2000 года, Intel переходит на медь в 2002 году, одновременно с переходом на 0.13 мкм техпроцесс.
SiGeСоединения - соединениями, но уже на скорости чипа в несколько ГГц перестает справляться с нагрузкой сама кремниевая подложка. И если для традиционных областей применения чипов кремния пока достаточно, в области беспроводной связи уже давно дефицит на дешевые скоростные чипы. Кремний - дешево, но медленно, арсенид галлия - быстро, но дорого. Решением здесь стало использование в качестве материала для подложек соединения двух основ полупроводниковой индустрии - кремния с германием, SiGe. Практические результаты по этой технологии стали появляться с конца 80-х годов. Первый биполярный транзистор, созданный с использованием SiGe (когда германий используется как материал для базы), был продемонстрирован в 1987 году. В 1992 году уже появилась возможность применения при производстве чипов с SiGe транзисторами стандартной технологии КМОП с разрешением 0.25 мкм.
Результатом применения становится увеличение скорости чипов в 2-4 раза по сравнению с той, что может быть достигнута путем использования кремния, во столько же снижается и их энергопотребление. При этом, в ход вступает все тот же решающий фактор - стоимость: SiGe чипы можно производить на тех же линиях, которые используются при производстве чипов на базе обычных кремниевых пластин, таким образом отпадает необходимость в дорогом переоснащении производственного оборудования. По информации IBM, потенциальная скорость транзистора (не чипа!) с их технологией составляет сегодня 45-50 ГГц (что далеко не рекорд), ведутся работы над увеличением этой цифры до 120 ГГц. Впрочем, в ближайшие годы прихода SiGe в компьютер ждать не стоит - при тех скоростях, что потребуется PC чипам в ближайшем будущем вполне хватает кремния, легированного такими технологиями, как медные соединения или SOI.
Кремний на изоляторе (silicon-on-insulator, SOI)Еще одна технология, позволяющая достаточно безболезненно повысить скорость чипов, не требуя от производителей отказаться от всех их сегодняшних наработок. Как и технология медных соединений, SOI позволяет создателям чипов убить двух зайцев одним выстрелом - поднять скорость, до 25 процентов, одновременно снизив энергопотребление. Что из себя представляет эта технология? Вспомним начало обработки кремниевой пластины - она покрывается тонкой пленкой окисла кремния. А в SOI к этому бутерброду добавляется еще один элемент - сверху опять наносится тонкий слой кремния:
Вот и получается - кремний на изоляторе. Зачем это понадобилось? Чтобы уменьшить емкость. В идеале МОП транзистор должен выключаться, как только будет исчезнет питание с затвора (или наоборот, появится, в случае с КМОП). Но наш мир далеко не идеален, это справедливо и в данном конкретном случае. На время срабатывания транзистора напрямую влияет емкость области между измененными участками кремния, через которую и идет ток при включении транзистора. Он начинает и заканчивает идти не мгновенно, а только после, соответственно, зарядки и разрядки этой промежуточной зоны. Понятно, что чем меньше это время, тем быстрее работает транзистор, можно сказать, что тем меньше его инерция. Для того и придумана SOI - при наличии между измененными участками и основной массой кремния тонкой пластинки изолирующего вещества (окисел кремния, стекло, и т.д.), этот вопрос снимается и транзистор начинает работать заметно быстрее.
Основная сложность в данном случае, как и в случае с медными соединениями, заключается в разных физических свойствах вещества. Кремний, используемый в подложке - кристалл, пленка окислов - нет, и закрепить на ее поверхности, или же не поверхности другого изолятора еще один слой кристаллического кремния весьма трудно. Вот как раз проблема создания идеального слоя и заняла весьма много времени. Не так давно IBM уже продемонстрировала процессоры PowerPC и чипы SRAM, созданные с использованием этой технологии, просигнализировав этим о том, что SOI подошла к стадии возможности коммерческого применения. Совсем недавно, IBM объявила о том, что она достигла возможности сочетать SOI и медные соединения на одном чипе, пользуясь плюсами обеих технологий. Тем не менее, пока что никто кроме нее не заявил публично о намерении использовать эту технологию при производстве чипов, хотя о чем-то подобном речь идет.
ПеровскитыПоиски замены на роль изолирующей пленки на поверхности подложки идут давно, учитывая, что как и алюминий, диоксид кремния начинает сдавать в последнее время - при постоянном увеличении плотности транзисторов на чипе необходимо уменьшать толщину его изолирующего слоя, а этому есть предел, поставленный его электрическими свойствами, который уже довольно близок. Однако пока, несмотря на все попытки, SiO2 по прежнему находится на своем месте. В свое время IBM, предполагала использовать в этой роли полиамид, теперь пришла очередь Motorola выступить со своим вариантом - перовскиты.
Этот класс минералов в природе встречается довольно редко - Танзания, Бразилия и Канада, но может выращиваться искусственно. Кристаллы перовскитов отличаются очень высокими диэлектрическими свойствами: использованный Motorola титанат стронция превосходит по этому параметру диоксид кремния более чем на порядок. А это позволяет в три-четыре раза снизить толщину транзисторов по сравнению с использованием традиционного подхода. Что, в свою очередь, позволяет значительно снизить ток утечки, давая возможность заметно увеличить плотность транзисторов на чипе, одновременно сильно уменьшая его энергопотребление.
Пока что эта технология находится в достаточно ранней стадии разработки, однако Motorola уже продемонстрировала возможность нанесения пленки перовскитов на поверхность стандартной 20 см кремниевой пластины, а также рабочий КМОП транзистор, созданный на базе этой технологии.
ЗаключениеТаким образом, в данной работе были рассмотрены технологические и физические основы производства и действия приборов, входящих в современный компьютер. Впрочем, с учетом скорости развития данной области знаний и данной области промышленности, данная работа (и так практически не содержащая ничего нового) скорее всего устареет окончательно лет через 5-10.
Список использованной литературы:- В.И. Федотов «Основы электроники» -- «ВШ», 1990
- Л.Н. Преснухин «Микропроцессоры» – «ВШ», 1986
- «Знакомьтесь, Компьютера», под ред. к.т.н Курочкина, Мир, 1989
- www.ixbt.ru / Статьи Ященко А. и др.
- www.toshiba.com
- www.acer.com
- www.intel.com